EasyManua.ls Logo

Sharp SM-510H - Voltage Selector and Fuse Replacement; AC Line Fuse Replacement; Circuit Protection Fuse Replacement; Voltage Changing Procedure

Sharp SM-510H
16 pages
Print Icon
To Next Page IconTo Next Page
To Next Page IconTo Next Page
To Previous Page IconTo Previous Page
To Previous Page IconTo Previous Page
Loading...
VOLTAGE
SELECTOR
PLUG
&
FUSE
REPLACEMENT
1.
ACLINE
FUSE
When
the
unit
does
not
function
due
to
a
blown
fuse,
remove
the
power
cord
and
replace
the
old
fuse
on
the
fuse
holder
with
a
new
once.
Use
a
1.0A
fuse
for
220V,
240V;
2.0A
fuse
for
110V.
NOTE:
When
replacing
the
fuse,
never
use
a
copper
wire
or
other
fuse
of
improper
capacity.
2.
CIRCUIT
PROTECTION
FUSE
Provied
on
the
chassis
near
the
Power
Transformer.
If
sound
through
speakers
are
cut,
the
protection
fuse
has
been
blown.
Turn
the
power
switch
off
immediately
remove
the
cabinet
by
loosing
the
screws
on
the
side
of
the
set,
and
check
for
a
short
on
the
connections
between
speaker
enclosures
and
amplifier.
If
short
circuited
repair
it
and
replace
the
protection
fuse.(0.5A).
3.
VOLTAGE
CHANGING
Be
sure
to
check
the
pre-set
voltage
before
operating
the
set.
If
the
voltage,
is
different
from
your
local
voltage
according
to
the
voltage
selector
plug
as
follows:
1)
Disconnect
the
AC
power
cord
from
the
outlet
in
order
to
prevent
an
electric
shock.
2)
Remove
the
plug
cover
by
unscrewing
screw
on
it.
(See
Fig.9)
3)
Pull
out
the
selector
plug
cover
and
reinsert
it
with
the
desired
voltage
coming
upward.
(See
Fig.
10)
4)
Replace
the
plug
cover
in
its
original
position.
The
desired
voltage
now
appears
in
the
plug
cover
opening.
(See
Fig.
9)
Figure
9
POWER
TRANSISTOR
REPLACEMENT
The
power
transistors
used
in
the
output
stages
are
matched
pairs.
They
have
been
selected
so
that
they
have
very
similar
current
gain
and
trans-conductance
characteristics.
This
matching
is
necessary
in
order
to
assure
optimum
perfor-
mance,
but
is
such
that
if
a
transistor
fails
in
either
channel,
another
transistor
in
that
channel
must
also
be
replaced.
Transistors
are
supplied
only
in
matched
pairs
for
replacement.
The
transistors
diffuse
a
large
amount
of
heat
which
must
be
carried
off
in
order
to
prevent
damage
to
the
transistors
the
collectors
of
which
are
thermally
connected
to
the
heat
sink
by
means
of
electrical
insulators
to
avoid
grounding.
The
insulator
is
a
very
thin
plastic
film
mounted
between
the
transistor
case
(collector)
and
the
heat
sink.
A
layer
of
silicon
grease
which
is
a
good
conductor
of
heat
is
applied
to
both
sides
of
the
insulator
in
order
to
improve
heat
sink
operation.
When
the
power
transistors
are
replaced
the
spacer
film
must
be
re-installed
and
a
new
layer
of
grease
applied
to
both
sides.
Care
should
be
taken,
lest
conductive
dust
such
as
metal
particles
should
break
through
the
insulator
films.
Q401
and
Q403,Q402
and
Q404
are
matched
pairs.
=
Figure
10
SCREW___
>
(X3P+10S)
TRANSISTOR
eS
<-—
(2SC789©)
SPACER
(AC301)
LUG
(3HW)
SPRING
WASHER
(3SW)
NUT
(X3ND)
Figure
11
POWER
TRANSISTOR
REPLACEMENT
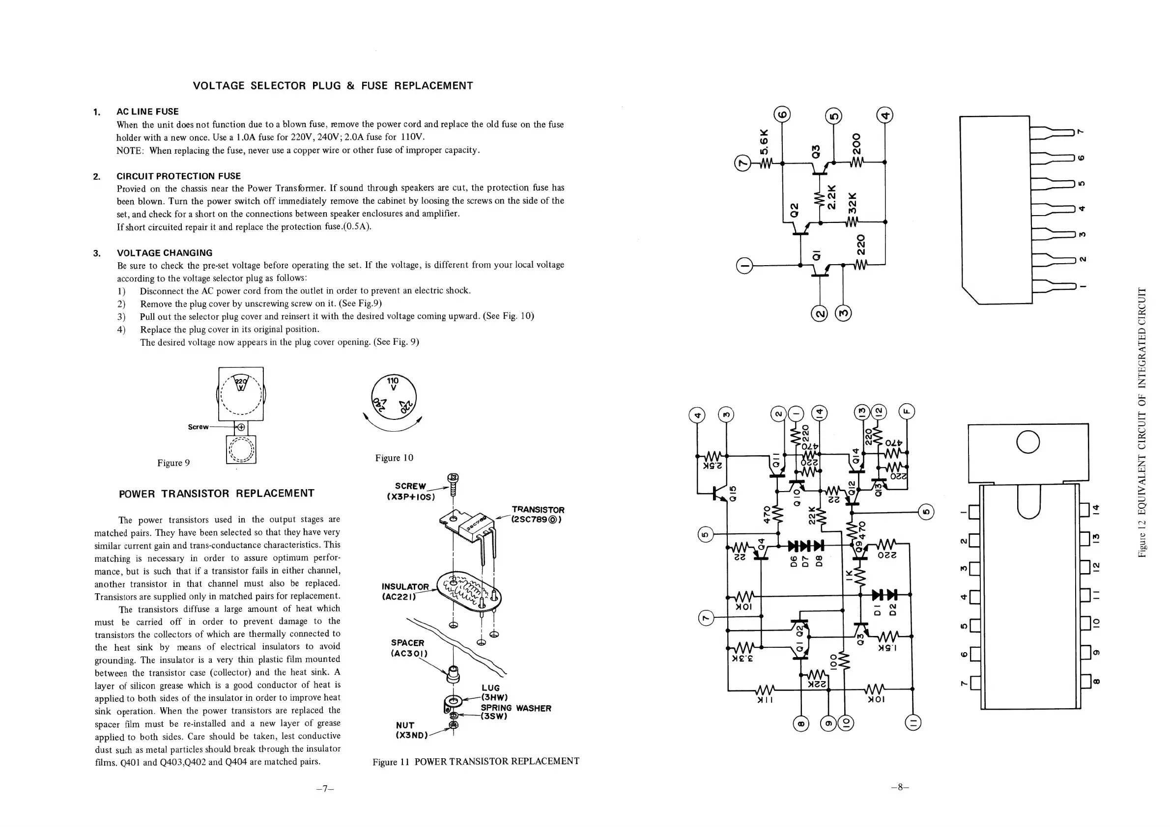
Figure
12
EQUIVALENT
CIRCUIT
OF
INTEGRATED
CIRCUIT

Related product manuals