EasyManua.ls Logo

Sharp VC-H992U - Page 64

Sharp VC-H992U
96 pages
Print Icon
To Next Page IconTo Next Page
To Next Page IconTo Next Page
To Previous Page IconTo Previous Page
To Previous Page IconTo Previous Page
Loading...
64
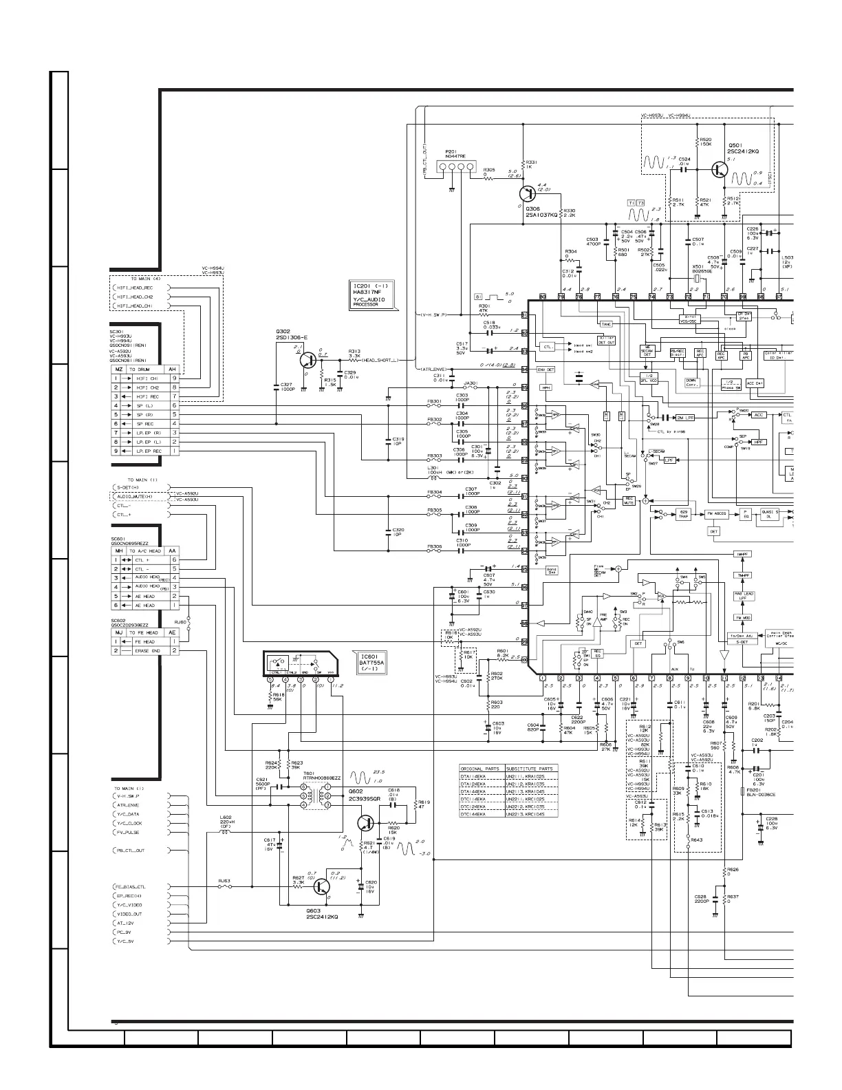
VC-A592U/A593U
VC-A5933U/H992U
VC-H993U/H994U
* VOLTAGE MEASUREMENT MODE
PB .......... Parentheses ( )
REC ....... Without Parentheses
MAIN CIRCUIT(2)(VC-A592U/A593U/H993U/H994U)
A
B
C
D
E
F
G
H
I
J
12345678910

Related product manuals