EasyManua.ls Logo

Sharp VL-H870S - Page 44

Sharp VL-H870S
166 pages
Print Icon
To Next Page IconTo Next Page
To Next Page IconTo Next Page
To Previous Page IconTo Previous Page
To Previous Page IconTo Previous Page
Loading...
VL-H860S/H/VL-H870S
VL-H890S/VL-H94E
VL-H96E/VL-H960E
6-6
VL-H860S/H/VL-H870S
VL-H890S/VL-H94E
VL-H96E/VL-H960E
Hi8MP 40mVp-p
Hi8ME 40mVp-p
Signal waveform
Hi8MP 130mVp-p
Hi8ME 190mVp-p
(10) TL35 (Pin (35) of P1)
(11) TL35 (Pin (35) of P1)
63 AV REC-H
PB
REC
SC305
SC305 Q307
SC305
SC305
SC305
IC 301
REC/PB AMP IC
VCC
RECORDING
AMPLIFIER
CH-1
SC305
SC305
SC305
SC305
SC301
SC301
ROTALY
ERASING
HEAD
VIDEO HEAD
L
(CH-2)
VIDEO HEAD
R
(CH-1)
ROTALYTRANSFORMER
Q315
6 PB RF
64 H-SW-P
65 OVER-P
61 REC-Y
58 REC-C
8 AGC IN
10 PB Y FM
67
D.O. PULSE
4
ROT ERASE
BUF
VGC
11
3
Q315
2
30
9
28
9
7
5
32
4
FF30
Y
AMP
AGC
DOC
PLAYBACK
AMPLIFIER
CH-2
RECORDING
AMPLIFIER
CH-1
ERASING OSCILLATOR
SWITCH CH-2
ERASING
OSCILLATOR
PLAYBACK
AMPLIFIER
CH-2
R339
24
27 13
a
a
1FE (S)
SC301
5L (S) (REC)
SC301
6L (F) (PB)
SC301
9R (S) (REC)
SC301
8R (F) (PB)
SC305
Q302
(10) (11)
35HOT
2FE (F)
18
23
BUF
14
17
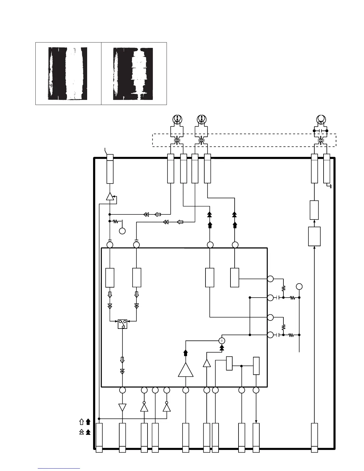
6-5. HEAD AMP BLOCK DIAGRAM

Related product manuals