EasyManua.ls Logo

Sharp VL-H870S - Lens Drive Block Diagram

Sharp VL-H870S
166 pages
Print Icon
To Next Page IconTo Next Page
To Next Page IconTo Next Page
To Previous Page IconTo Previous Page
To Previous Page IconTo Previous Page
Loading...
VL-H870U
VL-H875U
VL-H890U
6-9
VL-H860S/H/VL-H870S
VL-H890S/VL-H94E
VL-H96E/VL-H960E
VL-H860S/H/VL-H870S
VL-H890S/VL-H94E
VL-H96E/VL-H960E
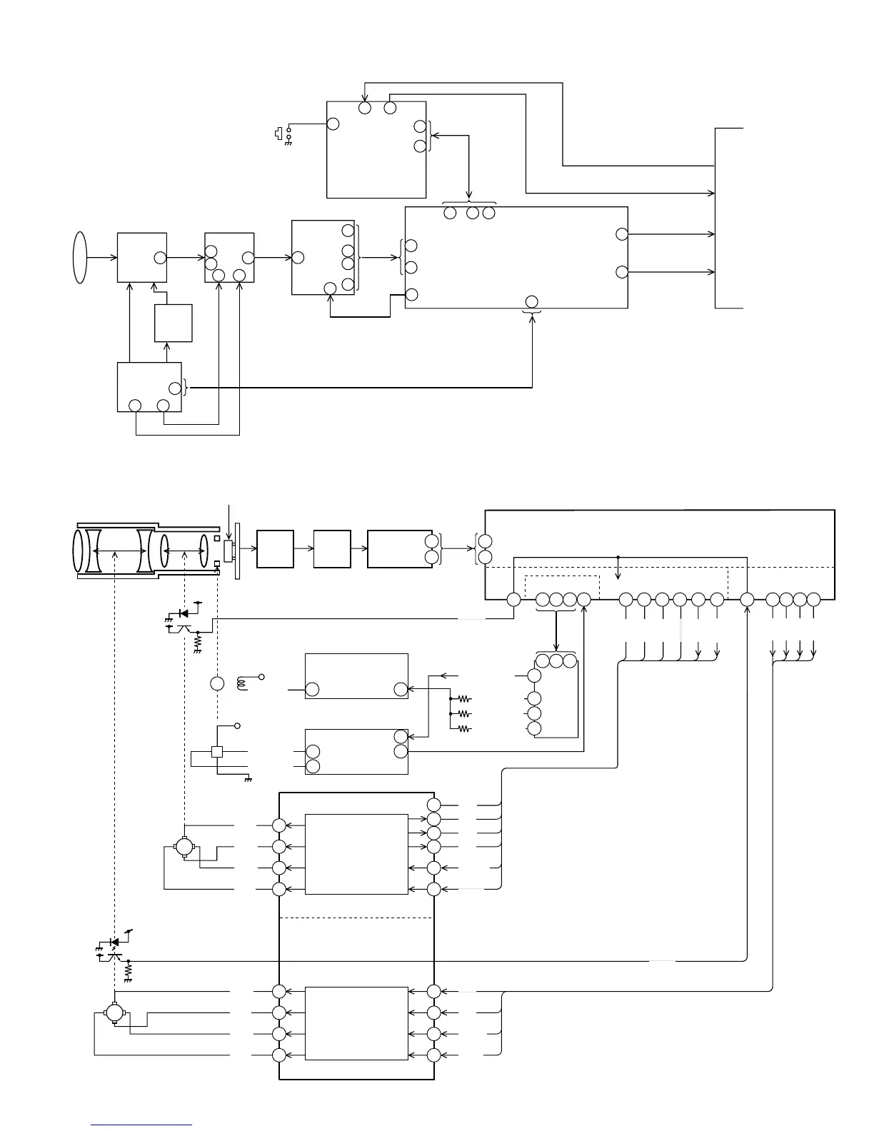
6-8. CAMERA SECTION BLOCK DIAGRAM
6-9. LENS DRIVE BLOCK DIAGRAM
IC1
CCD SENSER
100
107
IC201
DSP
28
35
61 1 2 23
61
IC501
DATA
Camera µ-CON
4 20 60 16 5 18 21
(
(
FM
CTL
(
(
FD
2
(
(
FD
3
(
(
FD
4
FM
CE
(
(
ZD
1
(
(
ZD
CLK
(
(
ZD
3
(
(
ZM
CE
17 16 15
3
2
19
18
IC502
D/A
4.9V
(PHIRF)
(HALL OFFSET)
(HALL IN (–))
(DRIVE (+))
(IRIS OFFSET)
(IRIS L )
(IRIS H )
IC151
A/D
IC101
CDS
AGC
ZOOM LENS MASTER LENS
IRIS
METER
Device
M
IC551 LENS DRIVER
(FO2+)
(FO2-)
(FO1+)
(FO1-)
M
FOCUS
MOTOR
Master
Lens
POSI
ZOOM
LENS
POSI
ZOOM
MOTOR
M
(ZO1+)
(ZO1-)
(ZO2+)
(ZO2-)
55
54
52
51
(FD4)
(FD2)
(FM CTL)
(FMCE)
3
1
46
ZOOM MOTOR
DRIVE
(PHIRZ)
(ZD1)
(ZD3)
13
11
9
25
16
17
19
20
ZOOM CONTROLFOCUS CONTROL
IRIS CONTROL
(ZDCLK)
(ZMCE)
(HALL IN (+))
FOCUS MOTOR
DRIVE
(FD3)
4
5
2
14
(
(
13 15
(
(
FD
1
12
(FD1)
IC553
OP-AMP
67
IC552
OP-AMP
8
3
13
14
H
IC201
DSP
A/DIN
A/DCLK
~
CAM-Y
CAM-C
VCR
LCD
PWB
SYS TO CAM
CAM TO SYS
IC501
Camera µ-CON
DIS
IC151
A/D
~~
IC101
CDS
AGC
IC1
CCD
SENSER
Lens
IC11
V-DRIVER
IC12
TG
VH
FSX FCX
N
ø H
ø V
~
XPADDA
MCKI
R/W
MODE
CK
CS
DATA/ADRS
CK
R/W
CS
MODE
14
27
3233
21
22
17 18
4
39
1
5
8
12
22
11
20
21
30
38
45
112
110
100
39
28
8079
43

Related product manuals