EasyManua.ls Logo

Sharp VL-H870S - Page 60

Sharp VL-H870S
166 pages
Print Icon
To Next Page IconTo Next Page
To Next Page IconTo Next Page
To Previous Page IconTo Previous Page
To Previous Page IconTo Previous Page
Loading...
VL-H860S/H/VL-H870S
VL-H890S/VL-H94E
VL-H96E/VL-H960E
S
R
Q
P
O
N
M
L
K
J
4
1
3
2
LOCATION MAP: (1/4)
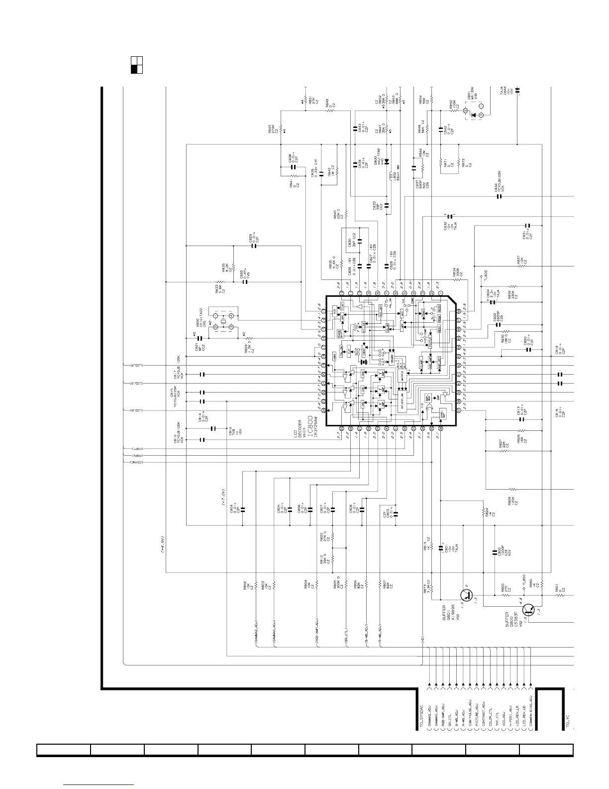
7-3. LCD CIRCUIT SCHEMATIC DIAGRAM (VL-H860S/H/H94E)
7-13

Related product manuals