EasyManua.ls Logo

Sharp VL-H875U - Page 106

Sharp VL-H875U
148 pages
To Next Page IconTo Next Page
To Next Page IconTo Next Page
To Previous Page IconTo Previous Page
To Previous Page IconTo Previous Page
Loading...
VL-H870U
VL-H875U
VL-H890U
8-63
A
B
C
D
E
F
G
H
I
J
12345678910
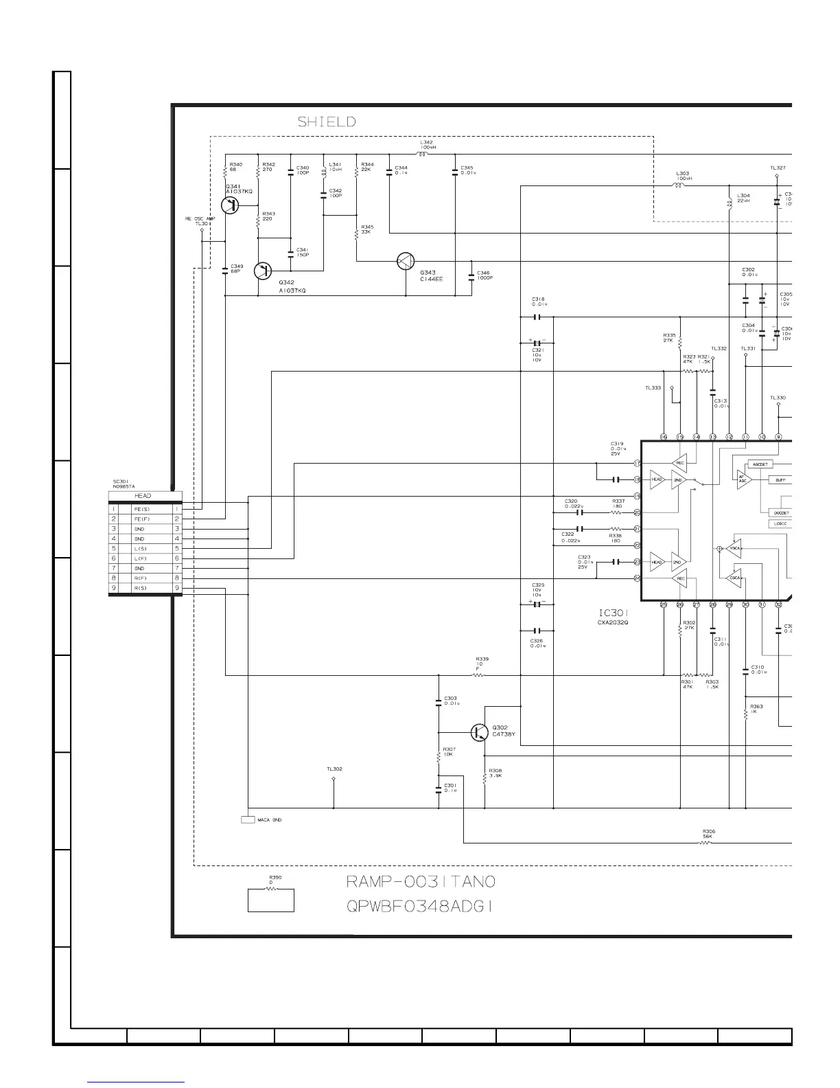
8-20. HEAD AMP CIRCUIT SCHEMATIC DIAGRAM

Related product manuals