EasyManua.ls Logo

Sharp VZ-1600H(S) - Schematic Diagram; Mechanism;Audio PWB Schematic

Sharp VZ-1600H(S)
48 pages
Print Icon
To Next Page IconTo Next Page
To Next Page IconTo Next Page
To Previous Page IconTo Previous Page
To Previous Page IconTo Previous Page
Loading...
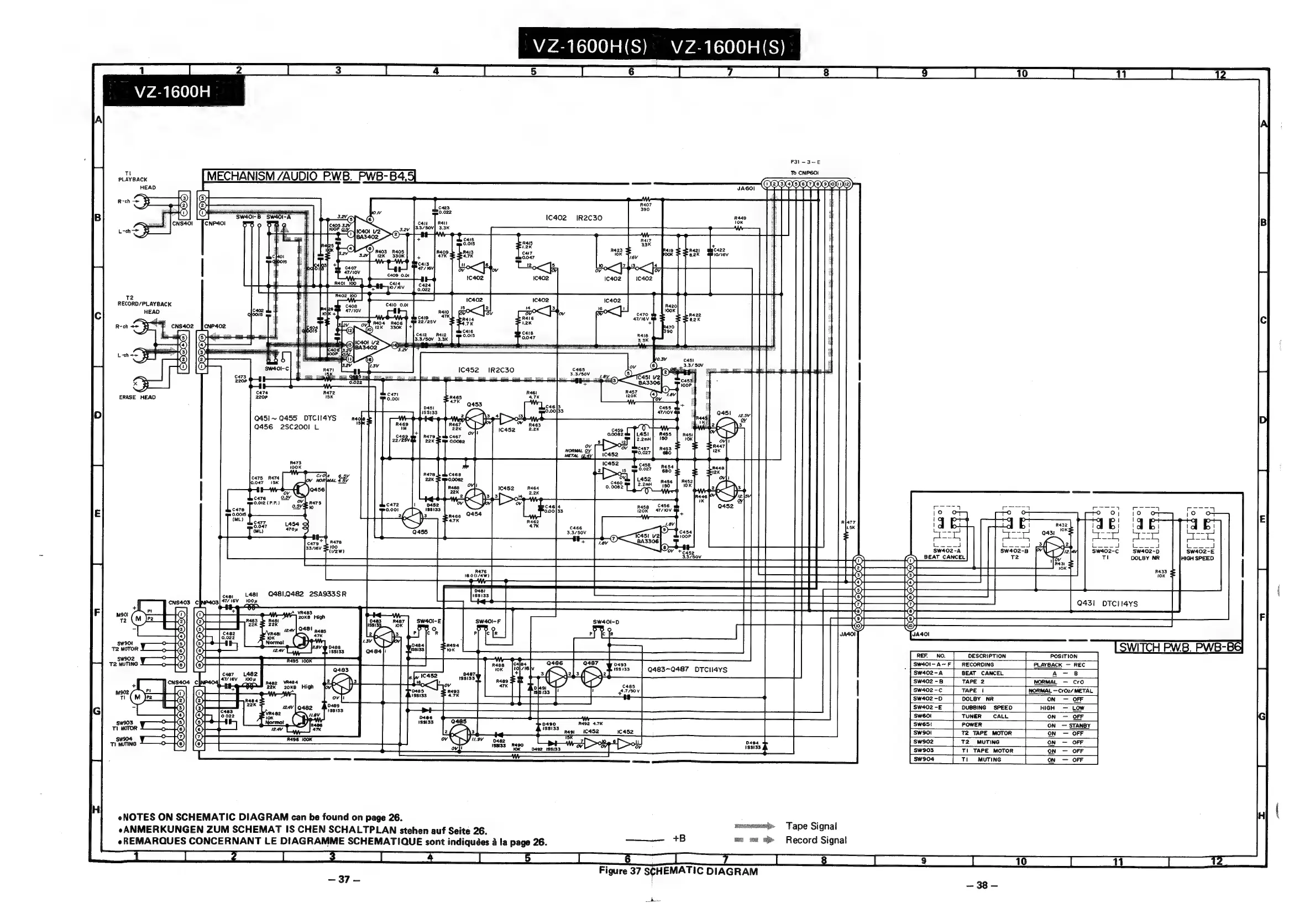
PLAYBACK
MECHANISM
ZAUDIO_PWB.
PWB-B4-.
0
022
32v,
GyI~@)
is
a
X3/S0v]
3.3K
g
R405
BA3402
LV
)
R403
12K
330K
T2
RECOROD/PLAYBACK
Q451~
Q455
DTCII4YS
Rag
Q456
2SC200!
L
eNOTES
ON
SCHEMATIC
DIAGRAM
can
be
found
on
page
26.
eANMERKUNGEN
ZUM
SCHEMAT
IS
CHEN
SCHALTPLAN
stehen
auf
Seite
26.
eREMARQUES
CONCERNANT
LE
DIAGRAMME
SCHEMATIQUE
sont
indiquées
a
la
page
26.
VZ-1600H(S)
VZ-1600H(S)
IC402
IR2C30
R455
180
R453
80
R458
120K
mai
Sa
==
a
a
2
A
See
Clays
ed
se
ee
Ol
OK
WY
NS,
JA40!
JASOl
REF.
NO.
DESCRIPTION
POSITION
SW40I-A~F
|}
RECORDING
PLAYBACK
REC
sw402-A
BEAT
CANCEL
A-
8
Sw402
-8
TAPE
2
|
NORMAL
Cro
sw402-C
TAPE
|
NORMAL
—Cr02/METAL
Sw402
-D
DOLBY
NR
ON
OFF
Sw402
-E
DUBBING
SPEED
HIGH
LOW
Swe6ol
TUNER
CALL
ON
OFF
sw6s!
POWER
ON
STANBY
Sw90ol
T2
TAPE
MOTOR
ON
OFF
Sw902
T2
_MUTING
ON
OFF
0492_1SSI33
ss
Tl
TAPE
MOTOR
ON
OFF
TI__MUTING
[on
=
OFF
Tape
Signal
ses
eee
—@
Record
Signal
aD
2
ESE
ae
ee
ES
CR
|
eT
SLE
|
CET
MATIC
DIAGRAM

Related product manuals