EasyManua.ls Logo

Sharp VZ-1600H(S) - Schematic Diagram; Overall System Schematic Diagram

Sharp VZ-1600H(S)
48 pages
Print Icon
To Next Page IconTo Next Page
To Next Page IconTo Next Page
To Previous Page IconTo Previous Page
To Previous Page IconTo Previous Page
Loading...
VZ-1600H
VZ-1600H
OQODOOHOOOOS
a
2
E
ee
: ;
Ic402.
IR2C30
DL
orem
a
DVT
;
:
.
:
33K
R401_
100
4
2
:
R402
:
;
S
"
wy
C419
g
a
: :
A
i
itt
=~
.
7K
eS,
ral
'
c4i2_—
RaI2
¥
is
x.
.
.
yy,
'
:
a0
C452
IR2C30
(2)
H
SK
25
BA3306
z
ee
ERASE
HEAD
3
Q451~
Q455
DTCII4YS
+o}
abe
20+
>
4
-
j
Q456
2SC200!
L
22
i
;
A
c
fe
ov!
/
me
|
22K
y
O
0.047
15K
NX
23
:
;
ca76
oy
S
=
i
:
Oz
(PP)
4
sven
J
RoR
es
OO
\
5
os
4.7K
:
R432
;
if
:
aaa
irs
BA3306
A
S
100
:
On
a5
ry
ov
g
an
tof
100y
DESCRIPTION
POSITION
RECORDING
PLAYBACK
REC
:
BEAT
cancel
[A
8
|
:
TAPE
2
Rag2
R484
b
g
z
5
22k
=
=20Ke
High
O
)
ts
TAPE
|
NORMAL
—Cr02/
METAL
;
[swace-0
|
DoLeY
WR
[ON
OF
|
‘DUBBING
SPEED
HIGH
LOW
TUNER
CALL
[ON
OFF
=|
ON
_—
STANBY
T2
TAPE
MOTOR
|
ON
=
OFF
Q483~0486,0488
Q487
T2_
MUTING
[__0N
=
OFF
OTCIIAYS
OTCI44N
Tl
TAPE
MOTOR
TL_MuTING
|
oN
—oFF
|
ee
Ee
eee
Se
ee
ee
ee
ees
|
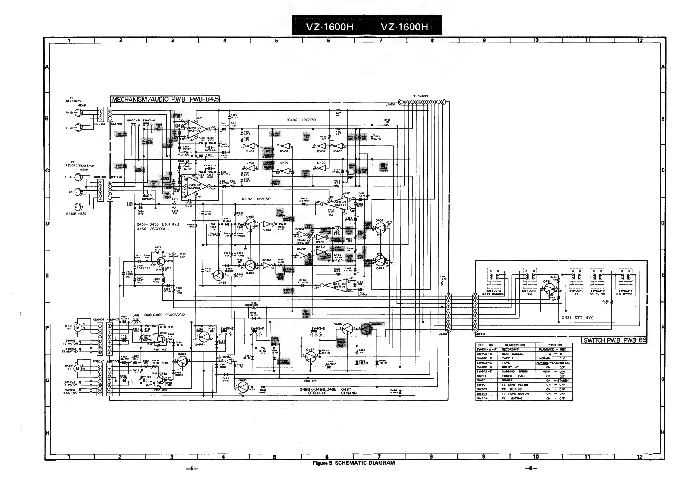
Figure
5
SCHEMATIC
DIAGRAM
:
—5-
ag

Related product manuals