EasyManua.ls Logo

Sharp VZ-1600H(S) - Block Diagram; System Functional Block Diagram

Sharp VZ-1600H(S)
48 pages
Print Icon
To Next Page IconTo Next Page
To Next Page IconTo Next Page
To Previous Page IconTo Previous Page
To Previous Page IconTo Previous Page
Loading...
i
was
VZ-1600H(S)
FM
STEREO
vf
LED6OI
Ic201
FM/AM
IF
AMP
AND
DETECTOR
Auto
/PLAYBACK
HEAD
0455
T2
B
Re
ERASE
Bias
Ose
HEAD
Scott
oS
eee
M901
,
,
@
\
w90!
S2
2
9
{
M802
PHONO
MOTOR
PHONO MOTOR
CONTRLOR
SOL8O!
CUE
UP/DOWN
TONE
ARM
MOTOR
CS
icaor
T
-
§G—_{r~
punbhce
Cy
PB
Amp
HEAD
cons
RECORD
902
(V)
LED852
Function
Control
(3)
Ic651,
IC652
1501
Dolby
NR
(ie)
CH
Graphic
Equalizer
e
(i)
—+Be2
ZQI®
/)
VRES!
vRes2
VRESS VRES4
VRESS
Graphk
Equalizer
H
Only
2
x
[aeciecticasis)
é
ficaoz
J)
ficaoz
VR656
VR657
i
Volume
Balance
High
mut
R
Speed
i
0483, 0485,
IC452A
0487,
IC
452
High
Speed
Control
{C701
Power
Amp.
(X)
sw
aoze
Q751,0752
Regulator
0484,0431
LE
050!
Muting
Control
Ripple
Dubbing
Control
Filter
803
VRBO!
VR8O2
VR8O3
33
4
Side
B
SPEED
SPEED
SPEED
Ic802
ARM
MOTOR
&
SOLENOIDE
TRACKING
SENSER
Q
®)
&
swesi
\
4
S)
&
POWE
SWITCH
()
swaoip
sws02
Sw904
80s
IS
oa”
Sasi
7
Q806
M901
MUTING
rridge
TisT2
+Be2
805
LED806
Ic
801
ADDRESS
KEY
SCAN
KEY
SCAN
KEY
SCAN
KEY
IN
KEY
IN
P.
MOTOR
CCW
CR
OSC
KEY
IN
ARM
REST
VOD
EP/LP
“RE
PEAT
y
LED8OS
LP
IND
&
TRACKING
ADJ
¥
Le0e04
REPEAT
IND,
Y.
L083
BOTH
SIDE
IND.
x
Yrevece
SIDE
B
IND.
a
6D
SIDE
A
IND.
(2)
ARM
LOW/HIGH
BOTH
SIDE
TEST
‘SIDE
6B
vss
SIDE
A
+B
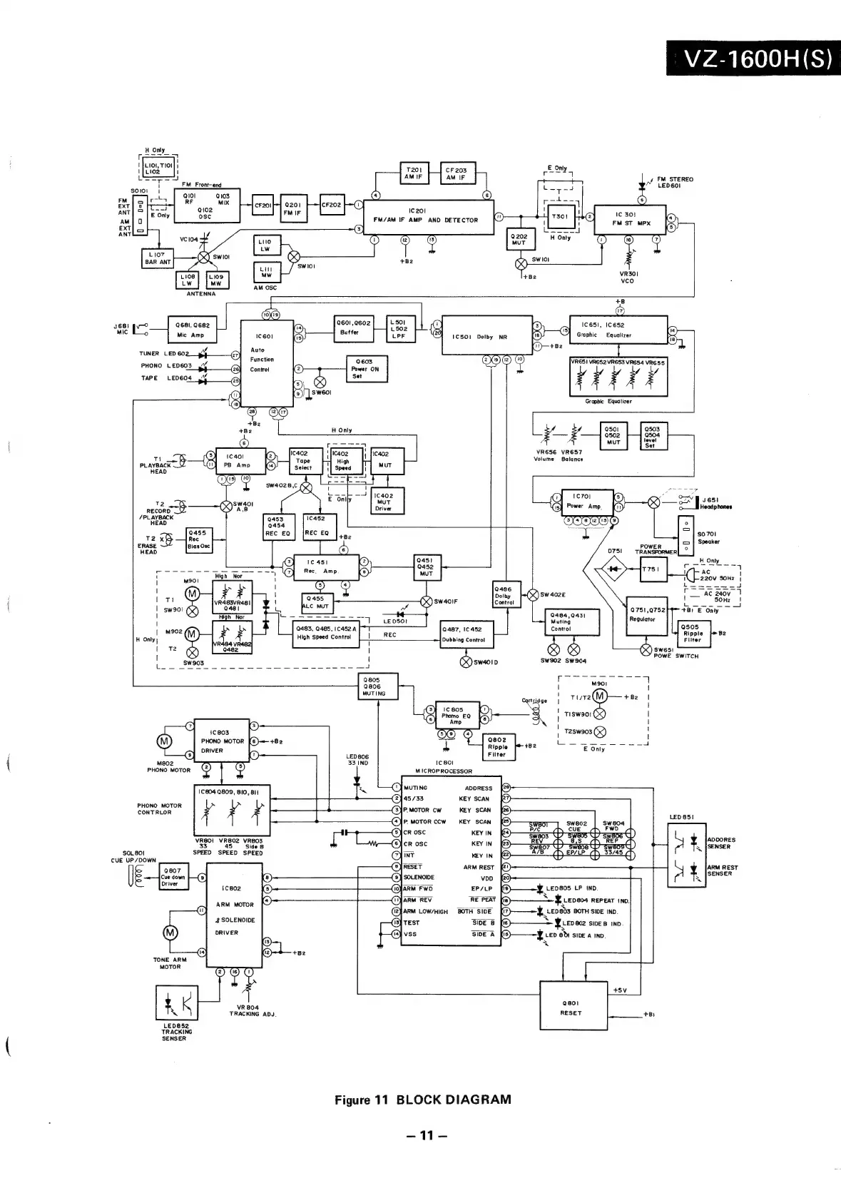
Figure
11
BLOCK
DIAGRAM
41

Related product manuals