EasyManua.ls Logo

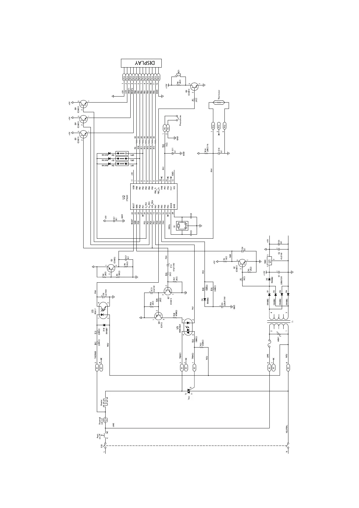
Sharp WH-237DP - Circuit Diagram (Pcb-A)

Sharp WH-237DP
21 pages
Print Icon
To Next Page IconTo Next Page
To Next Page IconTo Next Page
To Previous Page IconTo Previous Page
To Previous Page IconTo Previous Page
Loading...
18
CIRCUIT DIAGRAM (PCB-A)

Related product manuals