EasyManua.ls Logo

Sharp XL-MP100H - System Connections

Sharp XL-MP100H
80 pages
Print Icon
To Next Page IconTo Next Page
To Next Page IconTo Next Page
To Previous Page IconTo Previous Page
To Previous Page IconTo Previous Page
Loading...
XL-MP100H
4 – 1
AudioXL-MP100HService ManualXLMP100HMarketE
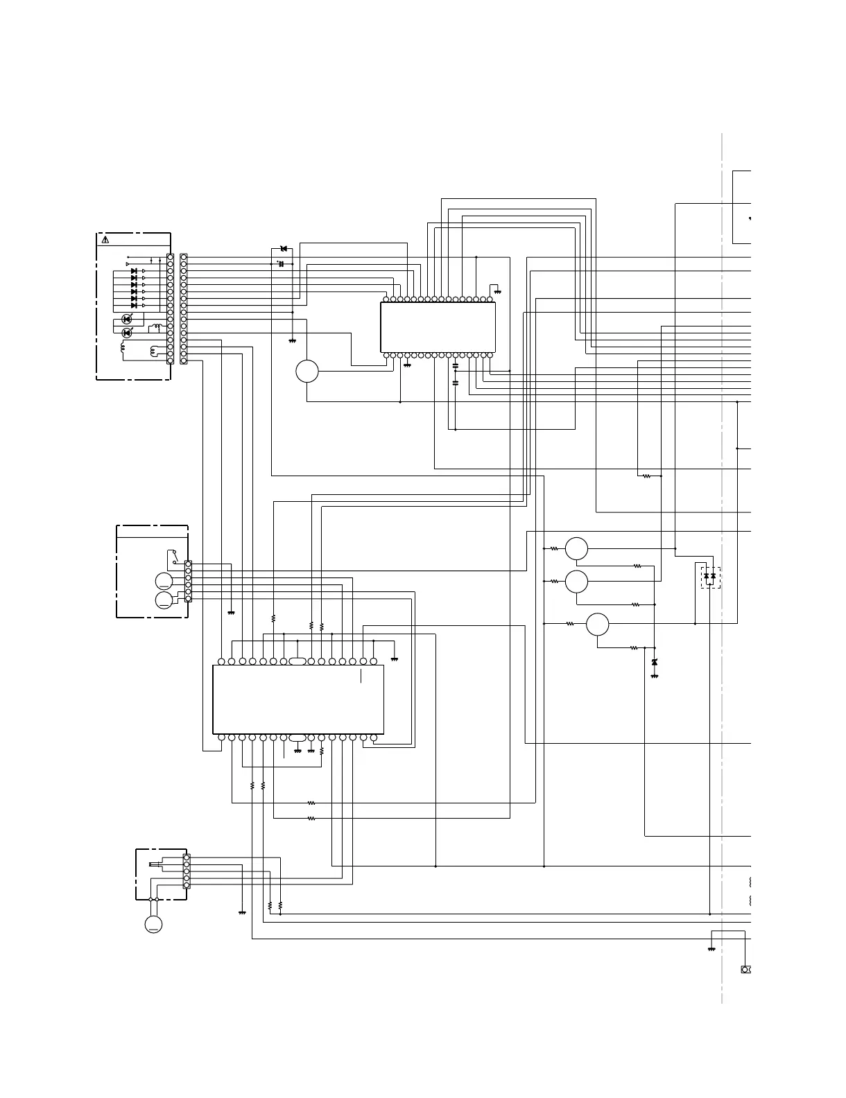
CHAPTER 4. DIAGRAMS
[1] BLOCK DIAGRAM
12
+
+B
+B
+B
+B
+B
+B
+B
+B
+B
+B
+B
+B
+B
+B
+B
+
+B
+B
+B
AN22004A
SERVO AMP.
AN8785SB
212628
14
1516171819202223242527
12345 131211109867
12 5
18 17
1615141310 11 12
987643
1920212223242526272829303132
B
D
A
C
E
F
TBAL
FBAL
GCTL
FEOUT
FEN
TEOUT
TEN
VREF
EQBST
GND
LDON
NRFDET
OFTR
BDO
OFTCV
DCDET
3TOUT
CEA
ARF
CAGC
RFIN
RFOUT
EQSW
VCC
LD
PD
GND
O-TRK
I-SPD
I-SLD
IFCS
GND
O+TRK
O+FCS
O+LOAD
I-LOAD
2.5VREF
O+SPD
O-LOAD
STBY
REF-SW
GND
O-SPD
O+SLD
VCC
VCC
O-SLD
VCC
REF-IN
IN+
IN–
OUT
I-TRK
O-FCS
VCC
GND
CD-VM
CD-P.GND
VC
VCC
E
D
A
B
C
F
GND
LD
VR
PD
F+
T–
T+
F–
GND
SWIL
SL–
SL+
SP–
SP+
DRVDD
DVDD
SVDD
C
G
O
M+
M–
MOTOR
SLED
SPINDLE
MOTOR
PICKUP-IN
CLOSE
OPEN
LOADING
MOTOR
LD
FOCUS
TRACKING
PD-IC
+5V
VC
M
M
M
1
2
3
4
5
6
1
2
3
4
5
16
15
14
13
12
11
10
9
8
7
6
5
4
3
1
2
16
15
14
13
12
11
10
9
8
7
6
5
4
3
1
2
TO
FOCUS/TRACKING/
SPIN/SLED DRIVER
CD PICKUP UNIT
CD MOTOR PWB
CNS801
Q801
IC803
IC804
M801
SW801
Q805
Q804
Q806
Figure 4-1 BLOCK DIAGRAM (1/5)

Other manuals for Sharp XL-MP100H

Related product manuals