EasyManua.ls Logo

Sharp XL-MP100H

Sharp XL-MP100H
80 pages
To Next Page IconTo Next Page
To Next Page IconTo Next Page
To Previous Page IconTo Previous Page
To Previous Page IconTo Previous Page
Loading...
XL-MP100H
4 – 3
FAN
MOTOR
KIA7805AP
VOLTAGE REGULATOR
1
2
3
+B
+B
+B
+B
+B
+B
+B
+B
+B
+B
+B
+B
-B
-B
-B
-B
-B
-B
-B
-B
STK43306
POWER
1
4
3
2
HEADPHONES
151413121110987654321
RI–
RI+
STBY
LI–
LI+
GND
SUB
+VCC
RO–
RO+
LO–
LO+
+VP
–VP
–VCC
L/R-CH
FRONT SPEAKER
SPEAKER
TERMINAL
M
1
2
R_CH
L_CH
MC_VB
F2
F1
-VFL
RELAY
1
24
9
10
11
12
13
14
15
POWWER TRANSFORMER
AC POWER
SUPPLY CODE
AC 230-240V, 50Hz
AC INPUT
SOCKET
(MAIN)
POWWER TRANSFORMER
(SUB)
16
6
5
4
2
3
9
8
7
6
5
3
2
4
1
3
O-POWER
I-SAFETY
T1A L 250V
FROM DISPLAY PWB
1
2
3
4
5
6
CD-P.GN
CD-VM
CD-D.GN
CD-R
CD-A.GN
CD-L
CD-P.GN
CD-VM
CD-D.GN
CD-R
CD-A.GN
CD-L
I-TU-SDI
O-TU-SCK
O-TU-SDO
O-TU-CE
TO CD SERVO
PWB
+B
+B
+B
+B
+B
+B
+B
+B
+B
+B
+B +B
75kHz
FM IF
FM IF
FM IF
AM IF
AM IF
456kHz
TUN_+B
TUN_L/R
2
1
AMOSC.
AMANT.
FM FRONT END
5
6124
78
3
12345678
16 15 14 13 12 11 10 9
1 2 3 4 5 6 7 8 9 101112131415161718
27 26 25 24 23 22 21 20 19
36
35
34 33 32 31 30 29 28
LC72723D
RDS
ANT
GND
GND
VCC
VI
F_OUT
GND
IF_OUT
AMRF-IN
REG
FM-MIX
AM-MIX
VCC1
FM IF-IN
AM IF-IN
VSS
CE
P-DET
P-CCMP
FM-DET
L-OUT
R-OUT
DI
CL
DO
XIN
XOUT
VDD
MPX-IN
DET-OUT
AMLOWOUT
AGC
PD
LP-OUT
B02
AM-OSC
FM-OSC
FMRF-IN
FM DET.
AM LOOP
ANTENNA
FM
ANTENNA
75 OHMS
GND2
CL
DO
CE
DI
LP-IN
LP-OUT
B01
FMRF-OUT
LV23002
VCC2
GND1
AM
Tracking
AM BAND
COVERAGE fL
RDS-SD
RDS-SC
TP301
PLL(TUNER)/
FM IF DET./FM MPX./AM IF
J101
D1~D4
D111~D114
D101~D104
C116
Q104
Q105
C118
C115
C119
Q101
Q102
Q103
Q282
Q284
Q286
Q285
Q287
Q281
Q283
D251~D254
Q256
Q255
Q257
IC202
IC401
Q401~Q404
Q251~Q254
CNP402
M401
Q201
F101
PT1
RY1
J1
PT2
J103
CNS504
FE301
J301
CNP301
L302
Q371
Q301
Q305
L311
Q353
Q352
X351
IC351
Q351
X301
CF303
L305
CF304
IC301
CF302
CF301
D305
L306
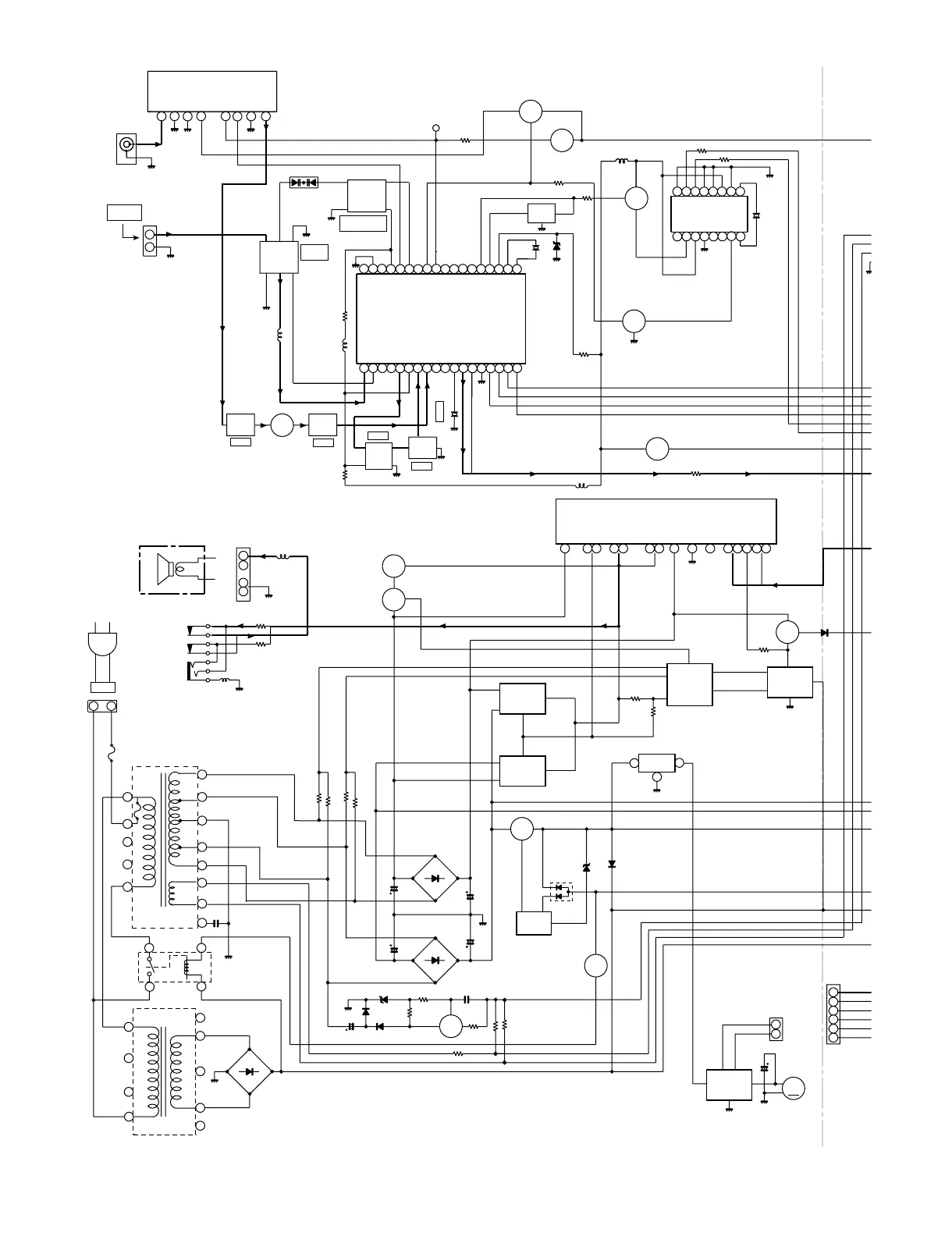
Figure 4-3 BLOCK DIAGRAM (3/5)

Other manuals for Sharp XL-MP100H

Related product manuals