EasyManua.ls Logo

Shibaura ST333 - Power Steering Control Valve, Column; Engine; Clutch Housing (Hst Only)

Shibaura ST333
250 pages
Print Icon
To Next Page IconTo Next Page
To Next Page IconTo Next Page
To Previous Page IconTo Previous Page
To Previous Page IconTo Previous Page
Loading...
13
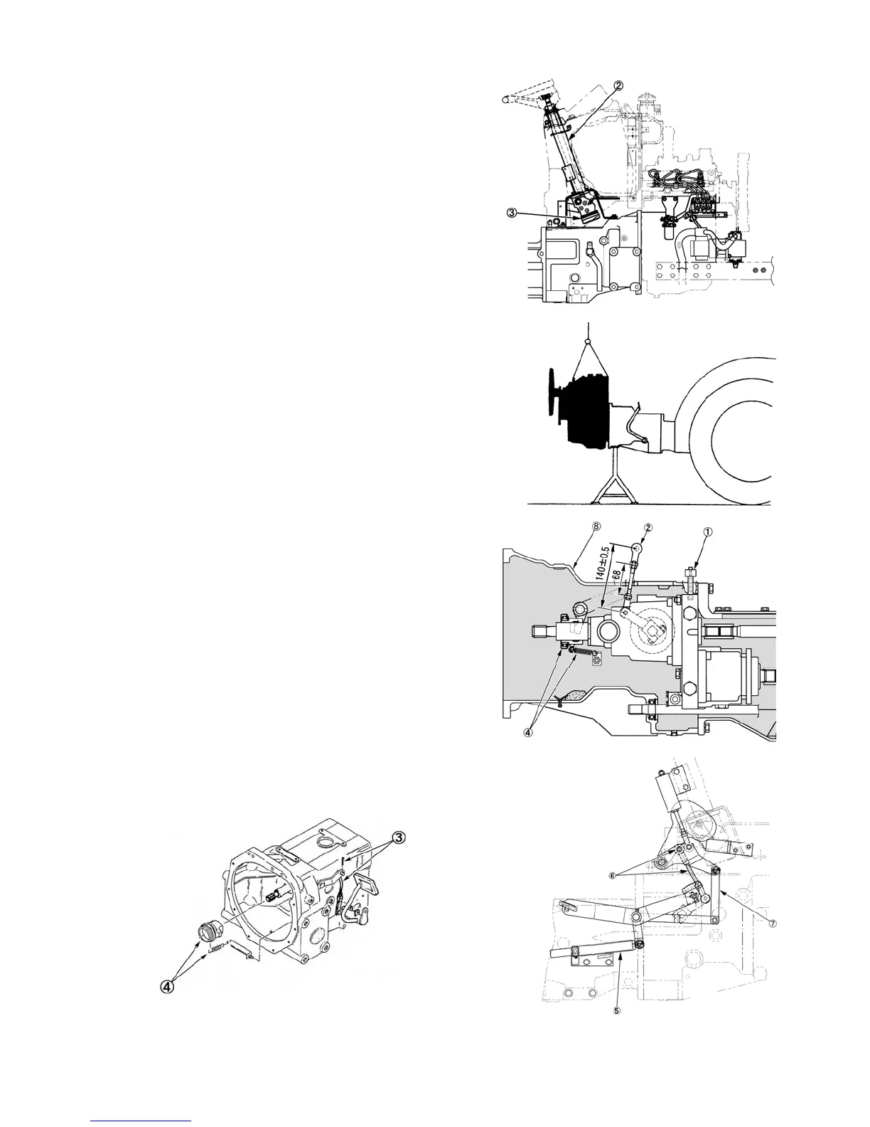
19) POWER STEERING CONTROL VALVE,
COLUMN
Remove the cruise control assembly from the steering
column on HST model.
Remove the bolts and steering column from the clutch
housing.
Remove the power steering control valve from the
column.
20) ENGINE
Remove the engine attaching bolts and separate the
engine from the clutch housing.
21) CLUTCH HOUSING (HST ONLY)
Remove the HST test port from top of clutch housing.
Note the HST control rod length before removing for
reassembly.
Remove the cotter pin and disconnect the clutch rod.
Remove the spring and release bearing from front of
HST.
Remove the damper from R.H. side of the transmission
housing.
Remove the nut and disconnect the turn buckle from the
shift link.
Remove the shift link.
Remove the clutch housing retaining bolts, and separate
the clutch housing.
024-2Y
022Y
023Y
024Y
024-1Y

Table of Contents

Related product manuals