EasyManua.ls Logo

Shibaura ST333 - Counter Shaft; Shifter Fork; Shifter Rod

Shibaura ST333
250 pages
Print Icon
To Next Page IconTo Next Page
To Next Page IconTo Next Page
To Previous Page IconTo Previous Page
To Previous Page IconTo Previous Page
Loading...
81
2. DISASSEMBLING
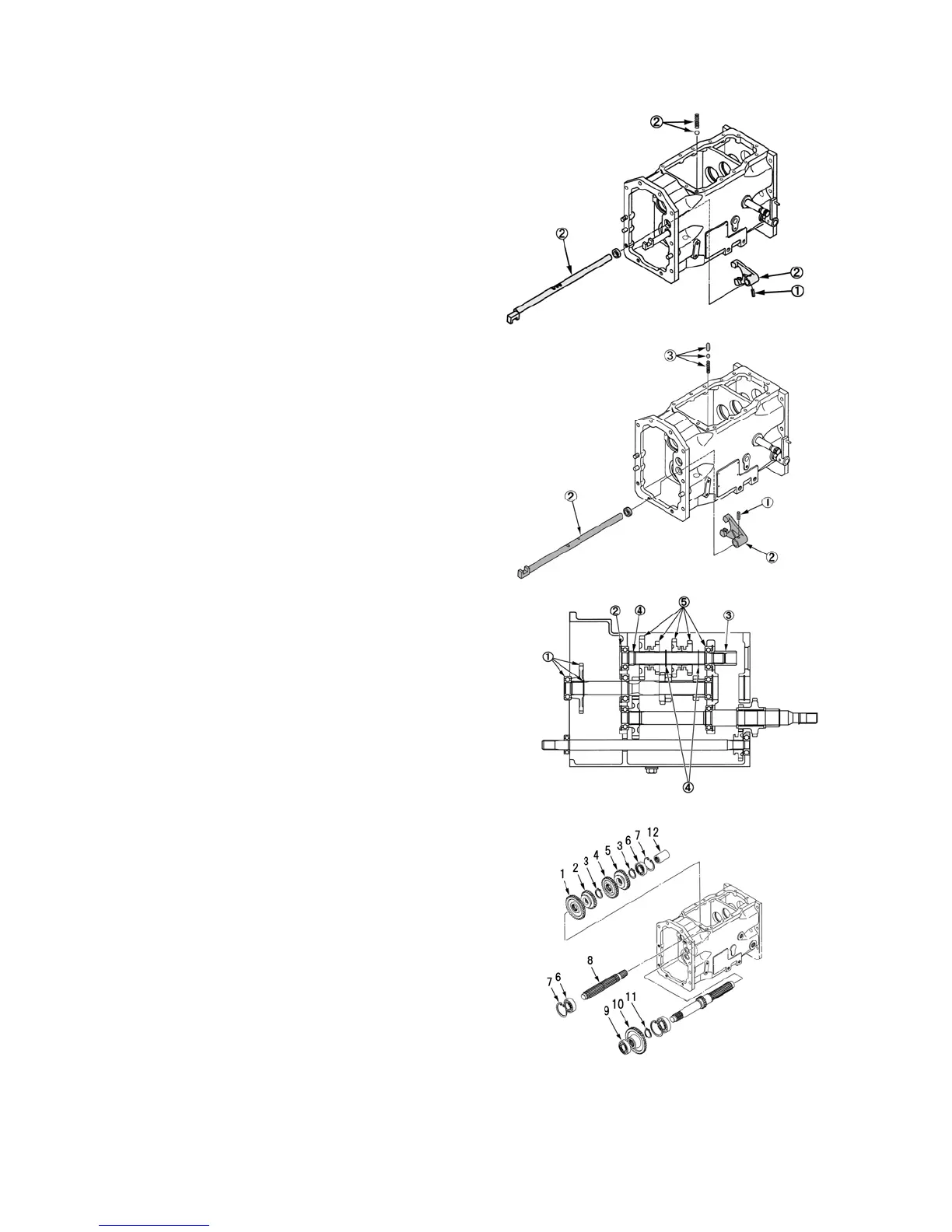
1 Shifter rodShifter fork (main2R)
Drive out the spring pin from the 2R shifter
fork.
Drive out the shifter rod front-wards and remove
the shifter fork.
NOTE
1.
Set the shifter rod on the 1
3 side (lower side) at
the neutral position.
2.
When the rod is pulled out, a steel ball drops into
the inside of the case. Take care not to miss it.
2 Shifter rodShifter fork (main13)
Drive out the spring pin from the shifter fork.
Drive out the shifter rod front-wards and
remove the shifter fork
Take out the pin, steel ball and spring from the
housing.
NOTE
1.
When the rod is pulled out, a balk pin and steel ball
come out.
Take care not to miss them.
2.
Remove the spring installed below the steel balls.
3 Counter shaftmain
Remove the bearing, fixed gear and snap ring from
the front of counter shaft.
Remove the snap ring (φ52) from front in the
housing.
Remove the coupler from rear of counter shaft.
Pull out the counter shaft front-wards moving the
snap rings ( φ 30) on the counter shaft to
rear-wards.
Take out the slide gears, snap rings and bearing
from housing.
1. Slide gear A (main1)
2. Slide gear A (main3)
3. Snap ring (φ30)
4. Slide gear A (main2)
5. Slide gear A (R)
6. Bearing (6205)
7. Snap ring (φ52)
8. Counter shaftmain
9. Bearing
10. Fixed gear
11. Snap ring
12. Coupler
343Y
344Y
345Y
346Y

Table of Contents

Related product manuals