EasyManua.ls Logo

Shibaura ST333 - Drive Shaft (4 WD); Retainer; Shifter Fork (4 WD)

Shibaura ST333
250 pages
Print Icon
To Next Page IconTo Next Page
To Next Page IconTo Next Page
To Previous Page IconTo Previous Page
To Previous Page IconTo Previous Page
Loading...
83
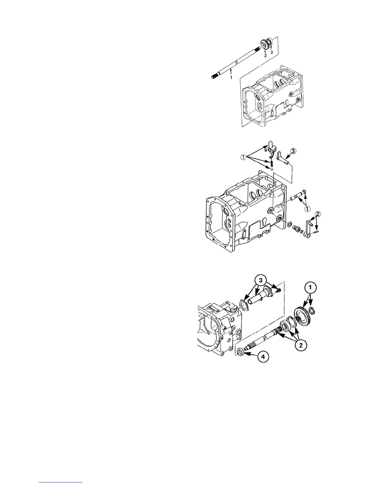
7 Drive shaft (4WD)
Drive out the drive shaft (4WD) front-wards and
remove the slide gear.
1. Drive shaft
2. Slide gear
3. Bearing (6303)
8 Shifter rodShifter fork (4WD)
Drive out the shifter rod rear-wards and remove
the shifter fork.
NOTE
When the shifter rod pulled out, a steel ball and spring
come out from in the shifter fork.
Be careful not to miss them.
Drive out the spring pin and remove the change
lever.
Remove the shift arm from the inside of the
housing.
9 Drive ShaftRetainerOil seal
Remove it from clutch housing
Remove the snap ring (φ30) and take out the
fixed gear from drive shaft.
Remove the snap ring (φ52) from in the retainer
and drive out the drive shaft and bearing to
rear-ward.
Remove bolts and retainer from rear of clutch
housing.
If necessary remove the oil seal from in the
retainer and clutch housing.
350Y
351Y
352Y

Table of Contents

Related product manuals