EasyManua.ls Logo

Shimadzu EI-D3403M - Cable

Shimadzu EI-D3403M
123 pages
Print Icon
To Next Page IconTo Next Page
To Next Page IconTo Next Page
To Previous Page IconTo Previous Page
To Previous Page IconTo Previous Page
Loading...
Appendix A COMMUNICATIONS
A-6
263-13228
A
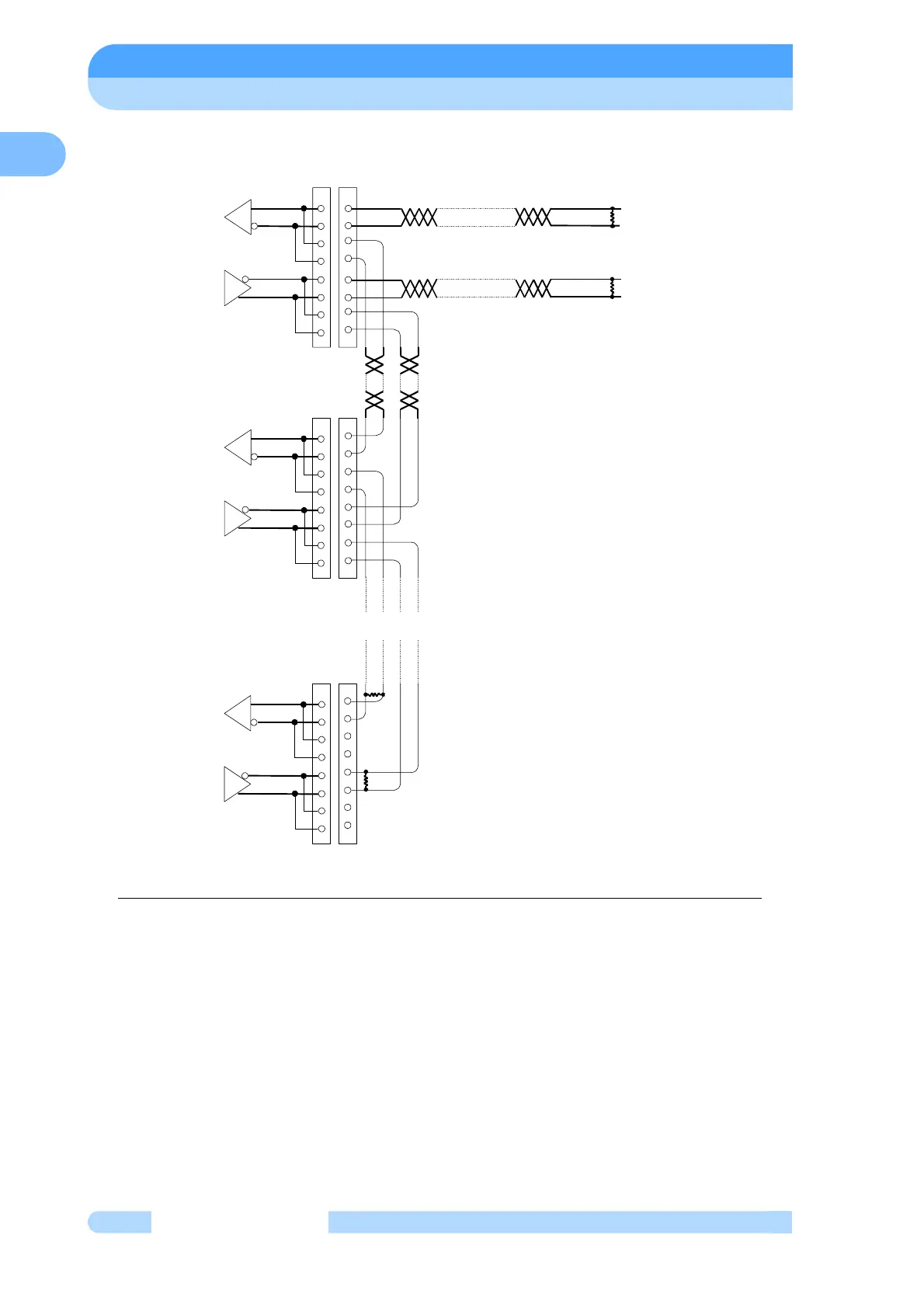
b. Multi-drop function ON
Fig. A-3 Example of RS-485 cable wiring connections (Multi-drop function ON)
(2) Cables used
RS-485 is a differential transmission and use twisted-pair cables in combinations as shown
in Figs. A-2 and A-3.
(3) Connecting the terminator
A terminator (120 Ω, 1/4 W min.) is required for connection.
However, connection of the terminator may prevent communications with certain cable
lengths and RS-485 device types. Connect the terminator to determine whether it is required.
(4) Cable Length
Connection cables can be extended up to 1.2 kilometers, but may be subjects to errors
depending on actual operational environment.
RXA
RXB
TXB
TXA
TXA
TXB
RXB
RXA
Power Supply Unit 1
COMPUTER
120Ω
120Ω
120Ω
120Ω
RXA
RXB
TXB
TXA
RXA
RXB
TXB
TXA
1
2
6
7
3
4
8
9
1
2
6
7
3
4
8
9
1
2
6
7
3
4
8
9
1
2
6
7
3
4
8
9
1
2
6
7
3
4
8
9
1
2
6
7
3
4
8
9
Cable connector
D-Sub 9pin Male
Power Supply Unit 2
Cable connector
D-Sub 9pin Male
Power Supply Unit N
Cable connector
D-Sub 9pin Male

Table of Contents

Related product manuals