EasyManua.ls Logo

Siemens 7XT3300-0 A00/DD Series

Siemens 7XT3300-0 A00/DD Series
52 pages
To Next Page IconTo Next Page
To Next Page IconTo Next Page
To Previous Page IconTo Previous Page
To Previous Page IconTo Previous Page
Loading...
7XT3300-0*A00/DD Русский
C53000-B119U-C129-1 49
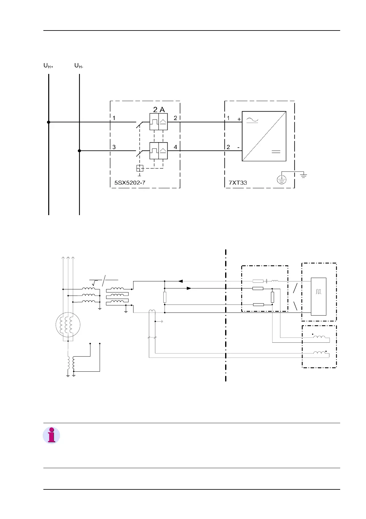
Примеры схем подключения
Рисунок 9 Подключение 7ХТ33 к напряжению питания (DC) через защитный автомат
2-А
Рисунок 10 Подключение 100% защиты статора от замыканий на землю к
заземляющему трансформатору или трансформатору в нейтрали
Примечание
Для обеспечения правильной работы защиты на принципе
использования частоты 20 Гц, нагрузочное сопротивление R
L
должно быть > 0.5 Ω.
7XT34
7XT33
7UM62
Шкаф защиты
Полосовой
фильтр 20 Гц
Генератор 20 Гц
макс. 3 A (20 Гц)
Нагрузка < 0.5 Ом
400 A / 5 A
1FS5
15 ВА
1A1
1A4
1B1 1B4
11
12
R13
R14
J8
J7
P1
P2
S2 S1
U
E
I
EE1
R
НАГР
> 0.5 Ом
1A2 1A3
330 Ом
660 Ом
660 Ом
20 Гц
U
N
3
ab
500 В
3
a
b
*1
*1: Соединительные
провода скручены
Трансформатор
в нейтрали
Заземляющий
трансформатор
Повышающий
трансформатор
генератора
Генератор
U
Нген
/3
500 В

Related product manuals