EasyManua.ls Logo

Siemens 7XV75 - Page 5

Siemens 7XV75
13 pages
Print Icon
To Next Page IconTo Next Page
To Next Page IconTo Next Page
To Previous Page IconTo Previous Page
To Previous Page IconTo Previous Page
Loading...
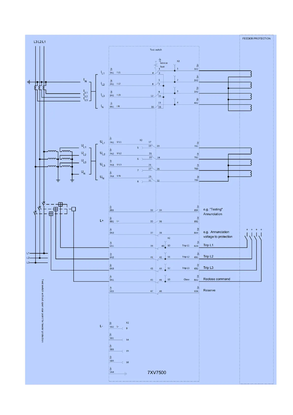
7XV75 Test Switch
5 Siemens AG March 2021
Connection Diagram for 7XV7500-0CA00 Test Switch