EasyManua.ls Logo

Siemens LFE10 - Product Design and Features; Disposal and Mechanical Design; Special Features LAE10;LFE10; Flame Supervision Methods

Siemens LFE10
8 pages
Print Icon
To Next Page IconTo Next Page
To Next Page IconTo Next Page
To Previous Page IconTo Previous Page
To Previous Page IconTo Previous Page
Loading...
Landis & Staefa Division CC1N7781E June 01, 1999 5/8
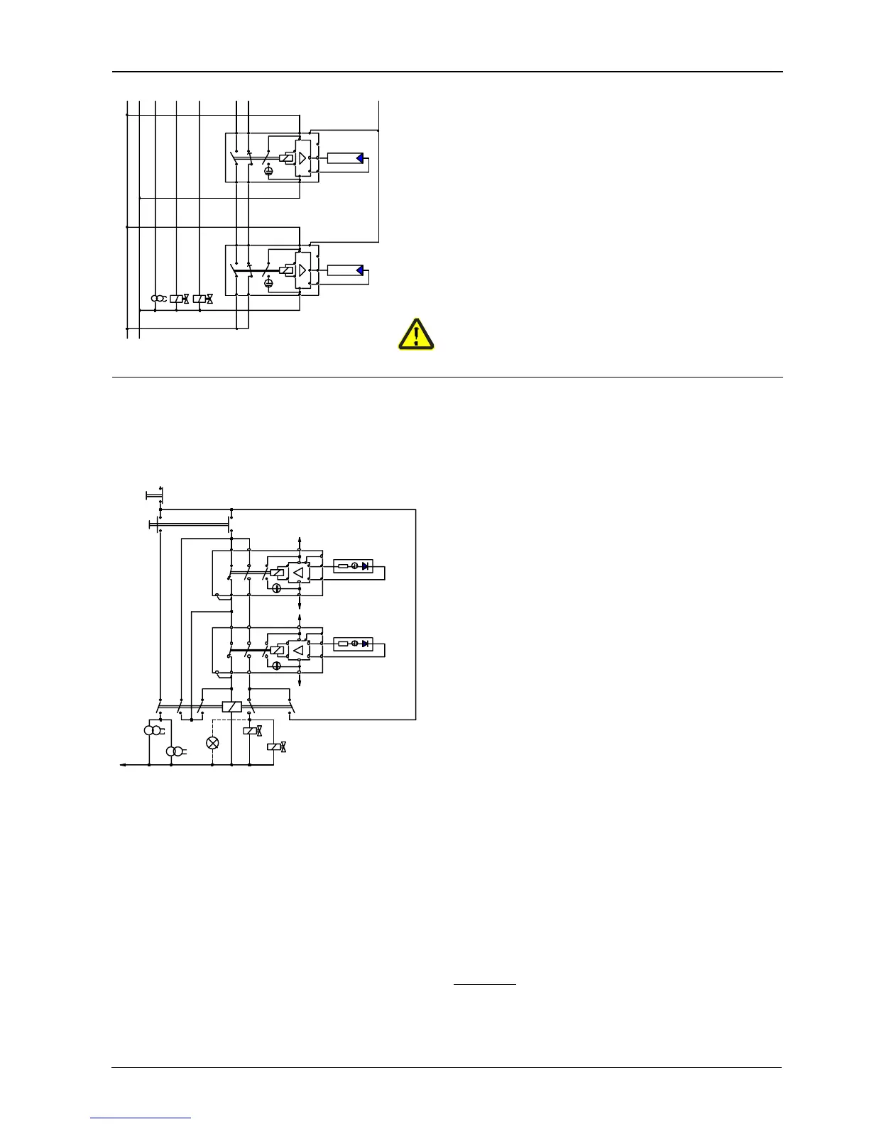
Mode of operation of the flame safeguards when used for dual-supervision
Dual-supervision (detailed connection diagram, e.g. for oil burners)
N(Mp)P(R)
Z
OV1 OV2
2 LAE107 5
16
10
9
8
FR
L1
3 4
1634
10
9
8
2 LAE10
FR
L1
7 5
RAR...
+
RAR...
+
7781a01/1198
With this type of supervision, one flame is supervised by two
independently operating flame safeguards, aimed at reducing the
possibility of loss of flame during operation in case of a simultaneous
failure of both flame safeguards to an "improbable coincidence".
With dual-supervision, the control contacts of the flame relays of both
flame safeguards are connected in series so that loss of the flame
signal of either of the flame safeguards is sufficient to cause
lockout of the burner.
A faulty signal by only one of the two flame safeguards during burner
off times or purge times also leads to lockout.
An ignited UV tube is a source of UV radiation!
In case of flame supervision by means of UV detectors, both detectors
must be placed such that there is no direct visual contact between
them.
Supervision of two manually controlled burners
0
I
N(Mp)
Z
A Z
B
L2
BV
A
BV
B
P(R)
8
9
10
FR
L1
LFE10
2
N(Mp)
15
7
46 3
d
8
9
10
6
FR
L1
LFE10
1
P(R)
2
N(Mp)
57
34
QRA...
+
Brenner B
QRA...
+
Brenner A
77 81a02/ 11 98
Mode of operation of the flame safeguards when used for the
supervision of two manually operated burners
With this type of supervision, too, the burner can be started only if the
UV detector or flame simulation test has been successful.
This means that neither of the two flame safeguards may detect a
flame signal during burner off times.
When the burner is started up, the detector test will automatically be
interrupted.
When pressing button «I», relay «d» is energized via circuit path 4 - 5
of the flame relays, which is still closed, thus switching on the ignition
of both burners.
At the same time, fuel is released.
The duration of the start pulse given by pressing button «I» should be
limited by a time relay - in the sense of a safety time.
If the flame is established on both burners - indicated by the signal
lamps of both flame safeguards - relay «d» is now maintained in its
energized condition via circuit path 3 - 7 of the two flame relays.
When releasing button «I», ignition will be switched off, thus
completing the startup sequence.
If the event of loss of flame on one of the burners, the respective
flame relay is de-energized, thereby neutralizing the holding circuit
for
relay «d».
This means that the fuel valves of both burners will immediately be
shut.
The burners are switched off manually be pressing button «0», or -
automatically - by the control / limit thermostat or pressurestat /
pressure monitor in the phase wire connection.
In the case of flame supervision with flame rectification probes,
terminal 6 of the flame safeguards must be connected directly to the
phase wire since no detector test is required here.
For example: connection to terminal 1!

Other manuals for Siemens LFE10

Related product manuals