EasyManua.ls Logo

Siemens Simatic S7-1500 - Page 87

Siemens Simatic S7-1500
188 pages
To Next Page IconTo Next Page
To Next Page IconTo Next Page
To Previous Page IconTo Previous Page
To Previous Page IconTo Previous Page
Loading...
Wiring
4.3 Terminal and block diagrams
CPU 1512C-1 PN (6ES7512-1CK00-0AB0)
Manual, 09/2016, A5E35306440-AB
87
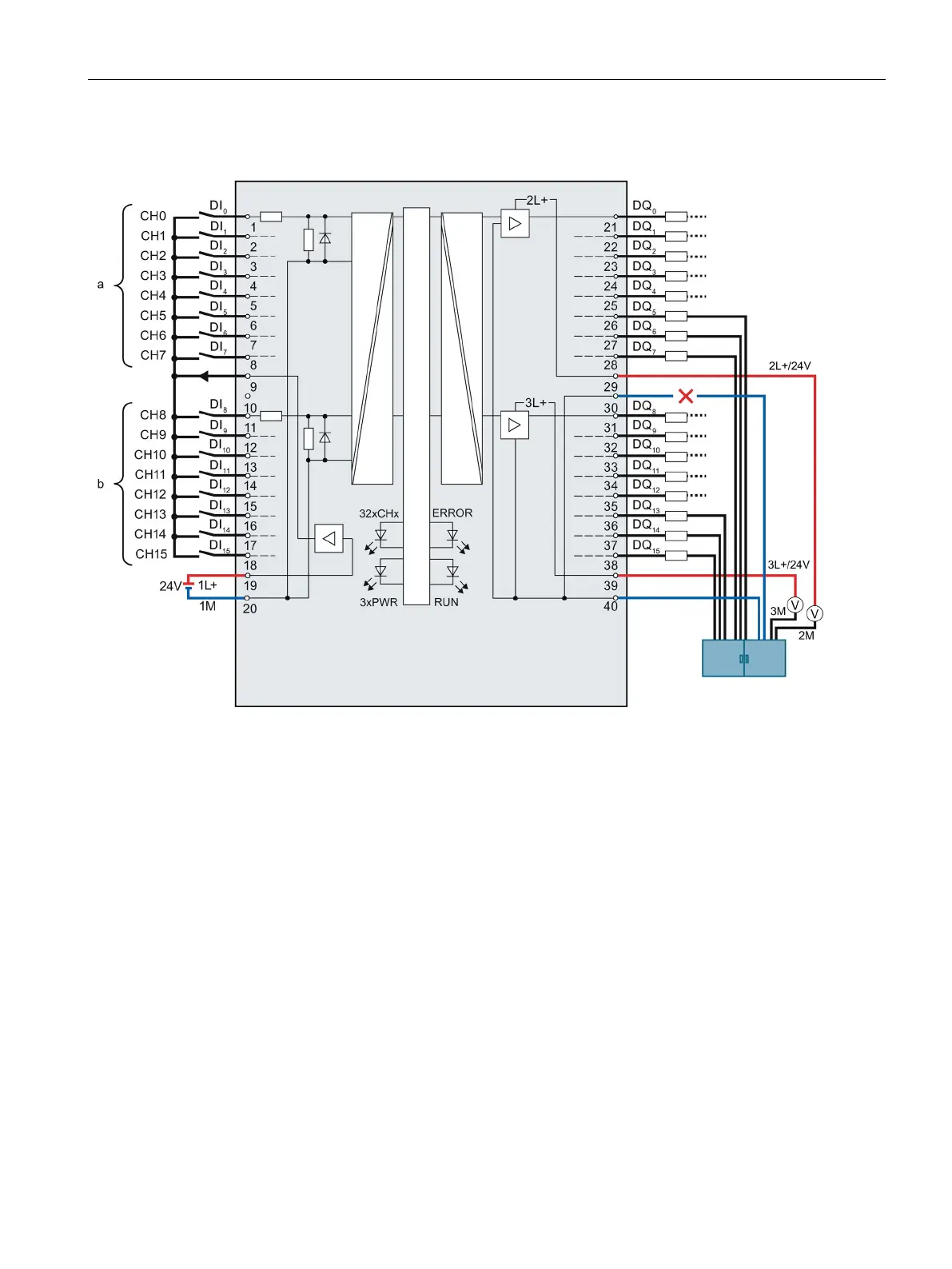
The figure below shows the reaction to interruption of the first ground cable.
Figure 4-15 Interruption of the first ground cable using the digital on-board I/O X11 as an example
If a wire break occurs on the first ground cable from the central terminal block to terminal 30,
the module can continue to operate without restrictions, as it is still connected to the ground
via the second cable from the central terminal block to terminal 40.

Table of Contents

Other manuals for Siemens Simatic S7-1500

Related product manuals