EasyManua.ls Logo

Siemens SINUMERIK 840D - Page 76

Siemens SINUMERIK 840D
713 pages
Print Icon
To Next Page IconTo Next Page
To Next Page IconTo Next Page
To Previous Page IconTo Previous Page
To Previous Page IconTo Previous Page
Loading...
B504
B504 Page 8 840D/828D SINUMERIK Operate
Notes
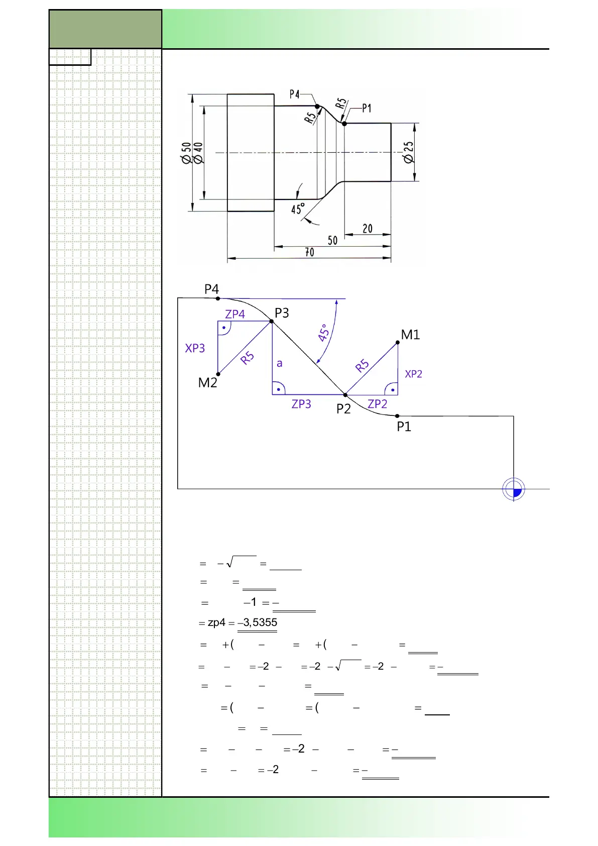
Since the two sides are equal, all values can be found using the Pythago-
rean theorem.
5355,235355,3202/²520220212 zpzpzPzP
929,27))5355,35(*2(25))25(*2(252 xpxP
642,315355,31065,28234 zpzPzP
071,37)5355,35(*2403xP
571,42/)929,27071,37(2/)23( xpxPa
571,43 azp
1065,28571,4535,3203213 zpzpzPzP
5355,3)1(*24 zpzp
xp3 zp4 3,5355
5355,32/²552xp
5355,322 xpzp
5.3 Solution method
Section 5
Exemplary functions

Other manuals for Siemens SINUMERIK 840D

Related product manuals