EasyManua.ls Logo

Sievers TOC 820 - Page 26

Default Icon
255 pages
Print Icon
To Next Page IconTo Next Page
To Next Page IconTo Next Page
To Previous Page IconTo Previous Page
To Previous Page IconTo Previous Page
Loading...
Ionics Instruments 2004 Page 3-2 DLM 30007-08 Rev. A
PEROXYDISULFATE
SYRINGE
PUMP
MEMBRANE
MODULE
RESTRICTORS
DEIONIZED
WATER
LOOP
PUMP
TEMPERATURE,
CONDUCTIVITY
SENSOR
SOLENOID
VALVE
OXIDATION
REACTOR
LAMP
POWER
SUPPLY
DELAY
COIL
TOTAL CARBON
CO SENSOR
TOTAL INORGANIC
CARBON CO SENSOR
2
2
SOLENOID
VALVE
TEMPERATURE,
CONDUCTIVITY
SENSOR
A
CID
SYRINGE
PUMP
SAMPLE
INLET
WASTE
PRESSURE
REGULATOR
A
CID
RESERVOIR
IN
-
LINE
FILTER
PEROXYDISULFATE
RESERVOIR
MEMBRANE
MODULE
WASTE
DI WATER
FILL PORT
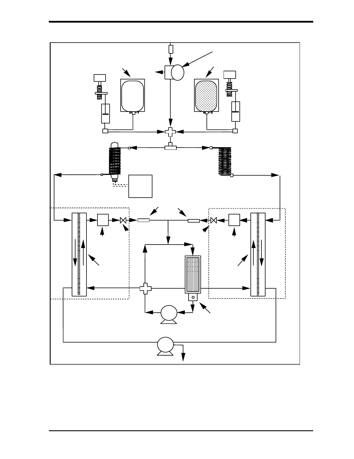
FIGURE 3-1: Analyzer Schematic
A brief description of the major components of the analyzer follows.

Table of Contents

Related product manuals