EasyManua.ls Logo

SIMAG SPN 255 AS - Wiring Diagram Spn 125-255

Default Icon
42 pages
Print Icon
To Next Page IconTo Next Page
To Next Page IconTo Next Page
To Previous Page IconTo Previous Page
To Previous Page IconTo Previous Page
Loading...
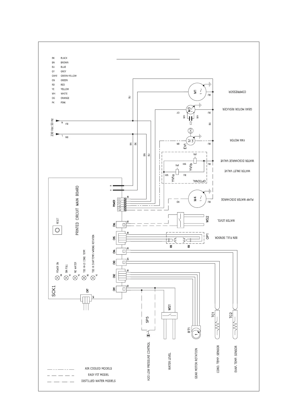
WIRING DIAGRAM SPN 125-255
AIR AND WATER COOLED
230/50/1
Page 33

Related product manuals