EasyManua.ls Logo

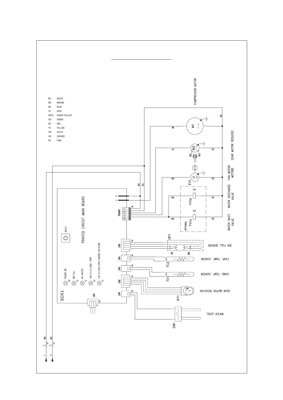
SIMAG SPN 255 AS - Wiring Diagram SPN 405 - 605 Single Phase

Default Icon
42 pages
Print Icon
To Next Page IconTo Next Page
To Next Page IconTo Next Page
To Previous Page IconTo Previous Page
To Previous Page IconTo Previous Page
Loading...
WIRING DIAGRAM SPN 405 - 605
AIR AND WATER COOLED
SINGLE PHASE
Page 34

Related product manuals