EasyManua.ls Logo

SIMAG SVD 152 - SERVICE DIAGNOSIS

SIMAG SVD 152
37 pages
Print Icon
To Next Page IconTo Next Page
To Next Page IconTo Next Page
To Previous Page IconTo Previous Page
To Previous Page IconTo Previous Page
Loading...
32
Page 28
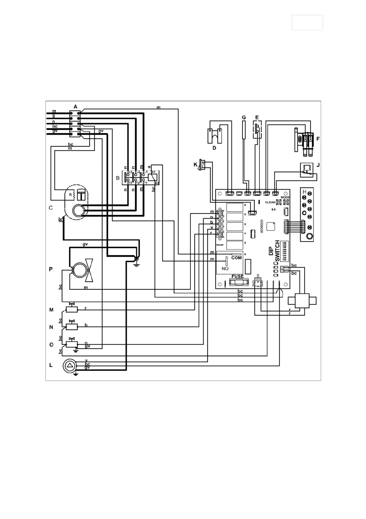
SVD 503 - WIRING DIAGRAM
380 V. 50 Hz. 3 ph.
m = brown
bc = blue
gv = yellow / green
b = white
n = black
r = red
a = orange
v = purple
g = green
A - Input terminal board
B - Compressor contactor
C - Compressor
D - Ice thickness sensor
E –Ice full sensor
F - Water level sensor
G - Condenser temperature probe
H - Led display
I -PC Board
J -High pressure controller
K - Startup delay switch
L - Water pump
M - Water inlet valve
N - Water purge valve
O - Harvest valve
P - Fan Motor (only AIR cooled unit)
R–Crankcase heater

Related product manuals