EasyManua.ls Logo

Simoco Xfin Blade - Control Card Block Diagram

Default Icon
76 pages
Print Icon
To Next Page IconTo Next Page
To Next Page IconTo Next Page
To Previous Page IconTo Previous Page
To Previous Page IconTo Previous Page
Loading...
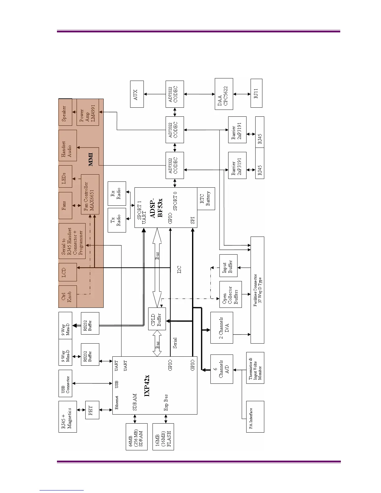
XFIN-BLADE-SM
CONTROL CARD BLOCK DIAGRAM PAGE 75
B. CONTROL CARD BLOCK DIAGRAM

Table of Contents