EasyManua.ls Logo

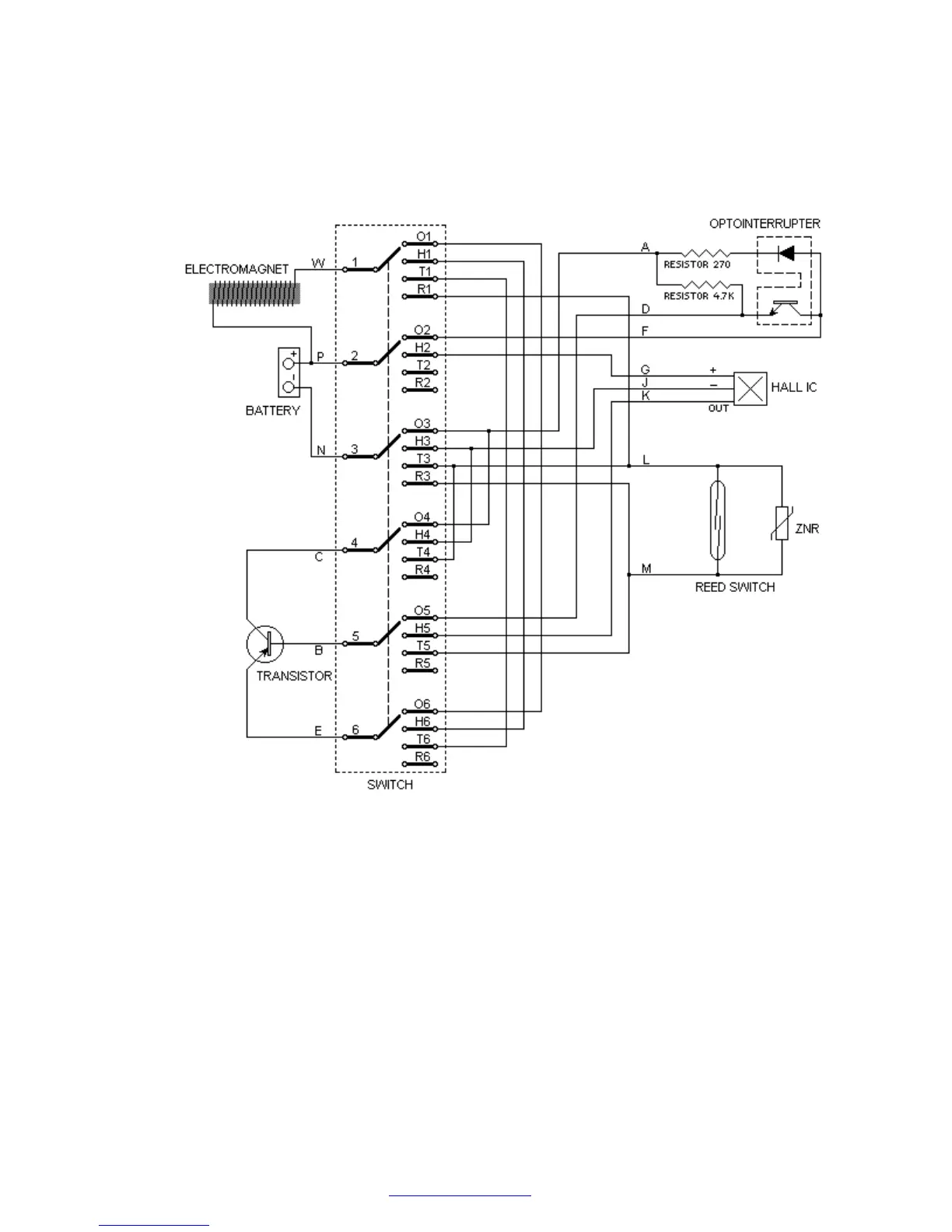
Simple Motors Kit 9 - Appendix A: Electrical Diagram; Electrical Schematic Overview

Default Icon
20 pages
Print Icon
To Previous Page IconTo Previous Page
To Previous Page IconTo Previous Page
Loading...
Assembly instructions for kit #9
All rights reserved. 2013 Simple Motors, LLC www.simplemotor.com
20
Appendix A. Electrical diagram of the Kit #9.