EasyManua.ls Logo

Simplicity 2700 Series - 50 Mower Deck - Height Adjustment & Roller Bar Group

Simplicity 2700 Series
72 pages
Print Icon
To Next Page IconTo Next Page
To Next Page IconTo Next Page
To Previous Page IconTo Previous Page
To Previous Page IconTo Previous Page
Loading...
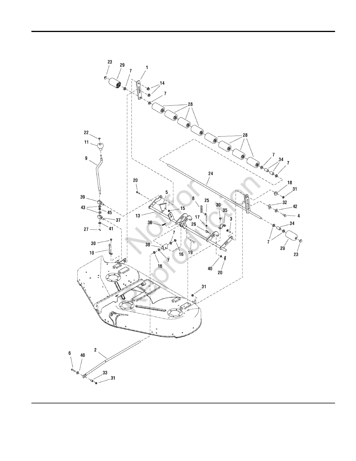
50" Mower Deck - Height Adjustment & Roller Bar Group
NOTE: Unless noted otherwise,
use the standard hardware torque
specification chart.
987883
The above parts group applies to the following Mfg. Nos.:
56
2008
Milwaukee, WI, USA. All rights reserved
© Copyright by Briggs & Stratton Corporation
1695397 - 50" Mower
1695589 - 50" Mower
2690745 - Conquest
2690746 - Conquest
TP 400-4803-C-CQ-SMA
Not for
Reproduction

Related product manuals