EasyManua.ls Logo

Simplicity 2700 Series - Frame Group - Power Steering

Simplicity 2700 Series
72 pages
Print Icon
To Next Page IconTo Next Page
To Next Page IconTo Next Page
To Previous Page IconTo Previous Page
To Previous Page IconTo Previous Page
Loading...
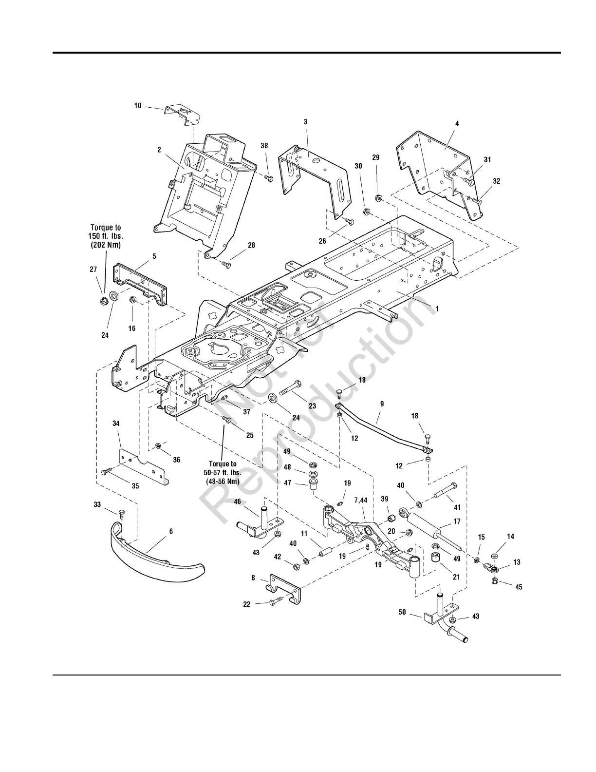
Frame Group - Power Steering
NOTE: Unless noted otherwise,
use the standard hardware torque
specification chart.
987426
The above parts group applies to the following Mfg. Nos.:
8
2008
Milwaukee, WI, USA. All rights reserved
© Copyright by Briggs & Stratton Corporation
1695154 - 1723H
1695155 - 2723H
2690745 - Conquest
2690749 - 1723H
2690751 - 2723H
TP 400-4803-C-CQ-SMA
Not for
Reproduction

Related product manuals