EasyManua.ls Logo

Simplicity 2700 Series - Page 68

Simplicity 2700 Series
72 pages
Print Icon
To Next Page IconTo Next Page
To Next Page IconTo Next Page
To Previous Page IconTo Previous Page
To Previous Page IconTo Previous Page
Loading...
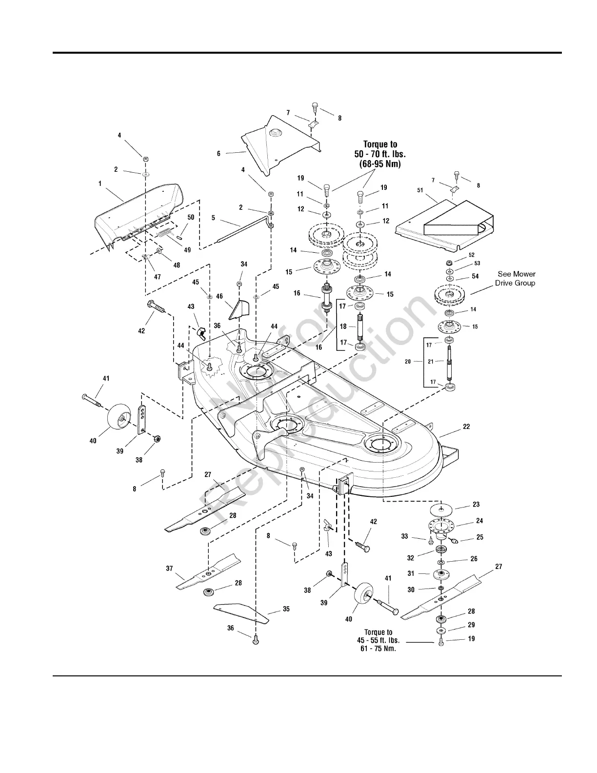
54" Mower Deck - Housing, Arbors & Blades Group
NOTE: Unless noted otherwise,
use the standard hardware torque
specification chart.
986820
The above parts group applies to the following Mfg. Nos.:
68
2008
Milwaukee, WI, USA. All rights reserved
© Copyright by Briggs & Stratton Corporation
2690799 - Conquest
TP 400-4803-C-CQ-SMA
Not for
Reproduction

Related product manuals