EasyManua.ls Logo

Simplicity HMSK110 - Engine & Frame Group - 11 HP, Manual Start

Simplicity HMSK110
86 pages
Print Icon
To Next Page IconTo Next Page
To Next Page IconTo Next Page
To Previous Page IconTo Previous Page
To Previous Page IconTo Previous Page
Loading...
36
TP 400-2307-03-LW-S
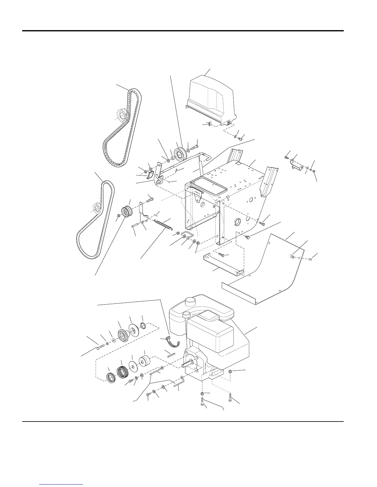
Engine & Frame Group - 11HP, Manual Start
NOTE: Unless noted otherwise,
use the standard hardware torque
specification chart.
985636
Position idler pulley (Ref. 34) at
center of slot in clutch arm (Ref. 31).
Use 0-2
washers
between
Ref. 58 & 31
to assure a
centered
belt and no
interference
between
pulleys Ref.
27 & 34.
Long hub of idler pulley
(Ref. 27) to be toward
Hook one end of spring (Ref. 24)
into top hole of idler arm (Ref. 25)
and other end into top hole of the
pilot arm assembly in the Traction
Torque to
10 - 12 ft. lbs.
14 - 19 Nm.
Secure engine lead
wire for headlight to
oil filler tube.
Hook one end of spring
(Ref. 36) over clutch rod
assembly (Ref. 31)
between tabs and other
end into slot in frame.
Right rear bolt
Position belt stop (Ref. 42)
1/16 to 1/8 inch from belt
when auger clutch is
engaged.
Drive Group.
idler arm (Ref. 25).
2
1
3
4
5
6
7
8
9
10
11
12
13
14
15
16
17
18
19
20
21
22
23
24
25
26
27
28
29
30
31
57
58
34
35
36
37
38
39
40
41
42
43
44
45
46
47
48
49
50
51
52
53
54
55
44
43
21
42
21
21
28
57
57
30
56
32
33
The above parts group applies to the following Mfg. Nos.:
1693656 1180M, 11HP Manual Start
1693657 1180M, 11HP Manual Start (Export)
© Copyright 2002 Simplicity Manufacturing, Inc. All Rights Reserved.

Related product manuals