EasyManua.ls Logo

Simtronics GD10-P00 - Page 14

Simtronics GD10-P00
44 pages
Print Icon
To Next Page IconTo Next Page
To Next Page IconTo Next Page
To Previous Page IconTo Previous Page
To Previous Page IconTo Previous Page
Loading...
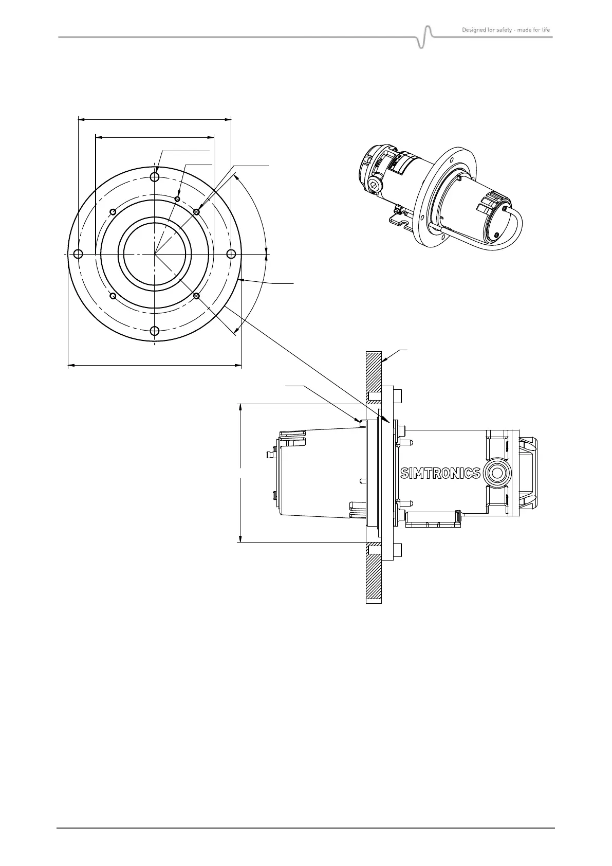
GD10P User Manual Page 14 of 44 850-811250-Rev.06b
Figure 4: Ventilation duct or pipe mounting using Duct Mounting Flange Kit
(Refer to
Figure 3 for details)
O 115,8
45°
45°
O 8,5 4x
5M
6M 4x
O 150
O 170
Flange
599-811939
> 126 mm
Duct wall
Flow direction
indicator