EasyManua.ls Logo

Simtronics GD10-P00 - HART Communication Setup

Simtronics GD10-P00
44 pages
Print Icon
To Next Page IconTo Next Page
To Next Page IconTo Next Page
To Previous Page IconTo Previous Page
To Previous Page IconTo Previous Page
Loading...
GD10P User Manual Page 20 of 44 850-811250-Rev.06b
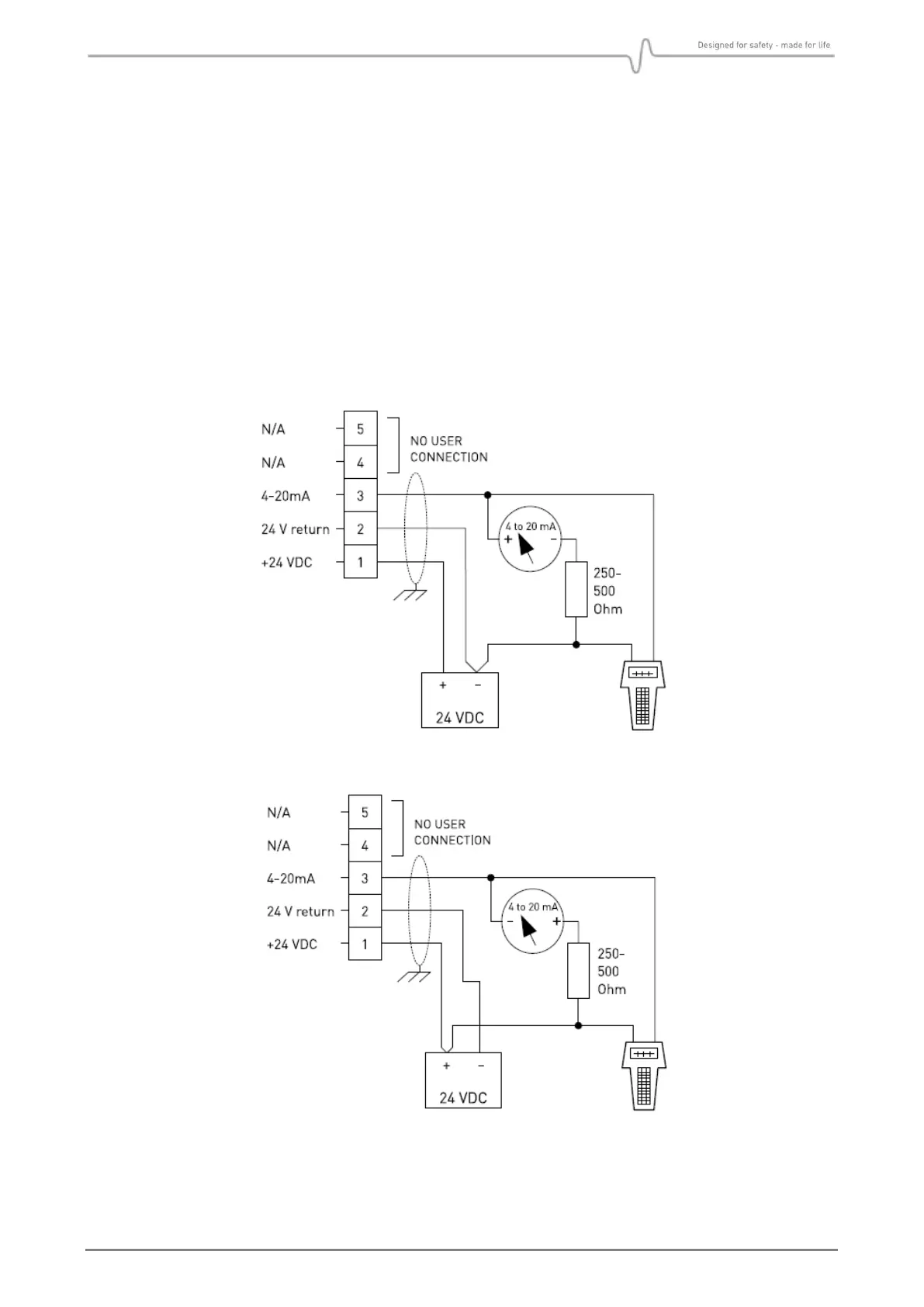
5.2.2 Connection
For access to the detectors HART® features, connect an industry standard HART® communicator
as shown in the following figures depending on the type of analogue interface (source or sink).
Note that for the HART® communication to work properly, a minimum loop resistance is
required in the current loop. The actual value of the serial resistance in the diagrams below may
vary depending on the rest of the resistance in the loop.
HART® terminal connection for source variant
HART® terminal connection for sink variant