EasyManua.ls Logo

Sinee A90-4T032B - Page 30

Sinee A90-4T032B
300 pages
Print Icon
To Next Page IconTo Next Page
To Next Page IconTo Next Page
To Previous Page IconTo Previous Page
To Previous Page IconTo Previous Page
Loading...
User Manual of A90 Series Inverter
30
3.2.4
Input side wiring of main circuit
3.2.4.1
Installation of circuit breaker
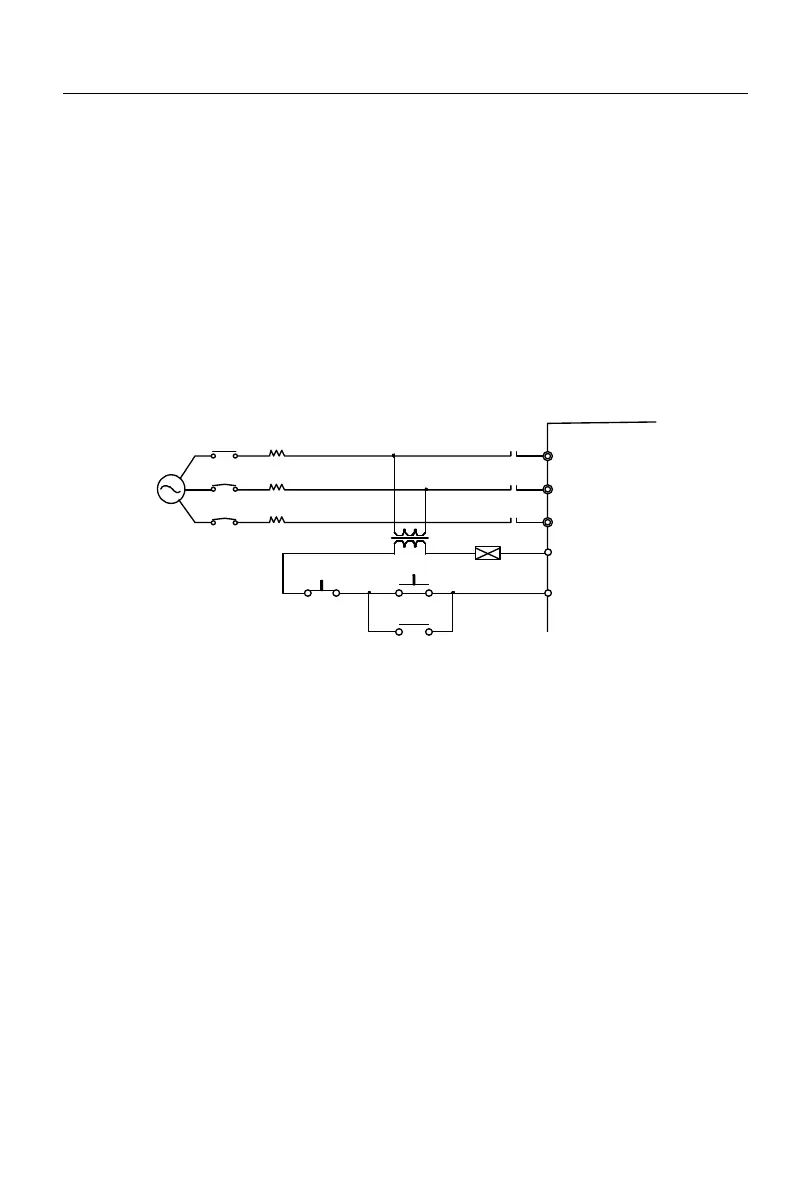
Install the air circuit breaker (MCCB) corresponding to the inverter between the power
supply and input terminal.
The MCCB capacity should be 1.5-2 times the rated current of the inverter.
The time characteristics of the MCCB must meet the requirements for overheat
protection (150% rated current/1 minute) of the inverter.
When the MCCB is used with multiple inverters or other devices, connect the
fault output relay contact of the inverter in series to the power contactor coil, as
shown in Fig. 3, to disconnect the power supply according to the fault signal.
Fault relay
contact
EC
EB
MC
OFF
MC
ON
MCCB
T
S
R
Inverter
Fig. 3-4 Connection of Input Circuit Breaker
3.2.4.2
Installation of leakage circuit breaker
Since the inverter outputs high-frequency PWM signals, a high-frequency leakage
current will be generated. Please use the dedicated leakage circuit breaker with the current
sensitivity above 30mA. If an ordinary leakage circuit breaker is used, use a leakage circuit
breaker with the current sensitivity above 200mA and action time of more than 0.1s.
3.2.4.3
Installation of electromagnetic contactor
Connect the electromagnetic contactor that matches the power of the inverter, as
shown in Fig. 3-4.
Do not control the operation and stop of the inverter via the electromagnetic
contactor on the incoming line side. Frequent use of this method is an important
cause of damage to the inverter. The frequency of operation and stop of the

Table of Contents