EasyManua.ls Logo

Singer 601 - Operators Guide for SINGER 591;601 Machines; Introduction to SINGER 591;601 Machines; Machine Oiling Procedures; Adjusting Rotating Hook Oil Flow

Singer 601
18 pages
Print Icon
To Next Page IconTo Next Page
To Next Page IconTo Next Page
To Previous Page IconTo Previous Page
To Previous Page IconTo Previous Page
Loading...
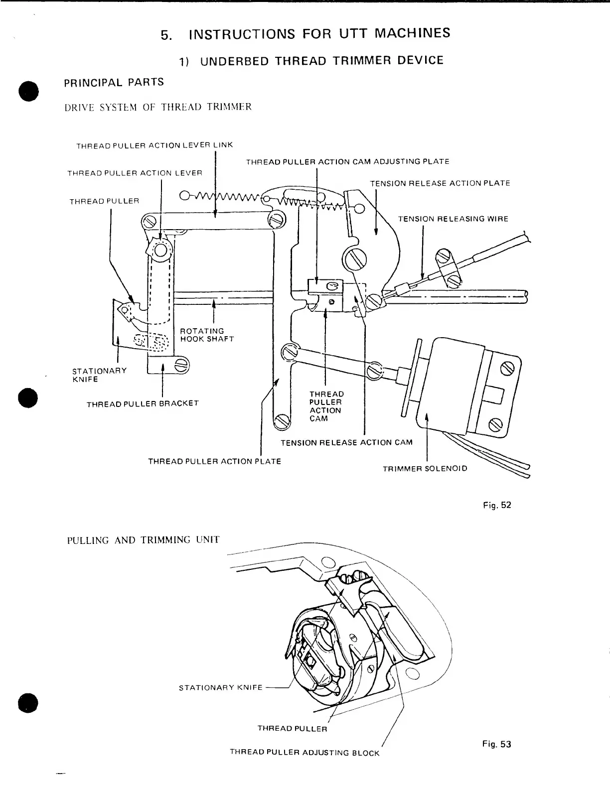
5.
INSTRUCTIONS
FOR
UTT
MACHINES
1)
UNDERBED
THREAD
TRIMMER
DEVICE
PRINCIPAL
PARTS
DRIVE
SYSTEM
OF
THREAD
TRIMMER
THREAD
PULLER
ACTION
LEVER
LINK
THREAD
PULLER
ADJUSTING
BLOCK
Fig.
53

Other manuals for Singer 601

Related product manuals