EasyManua.ls Logo

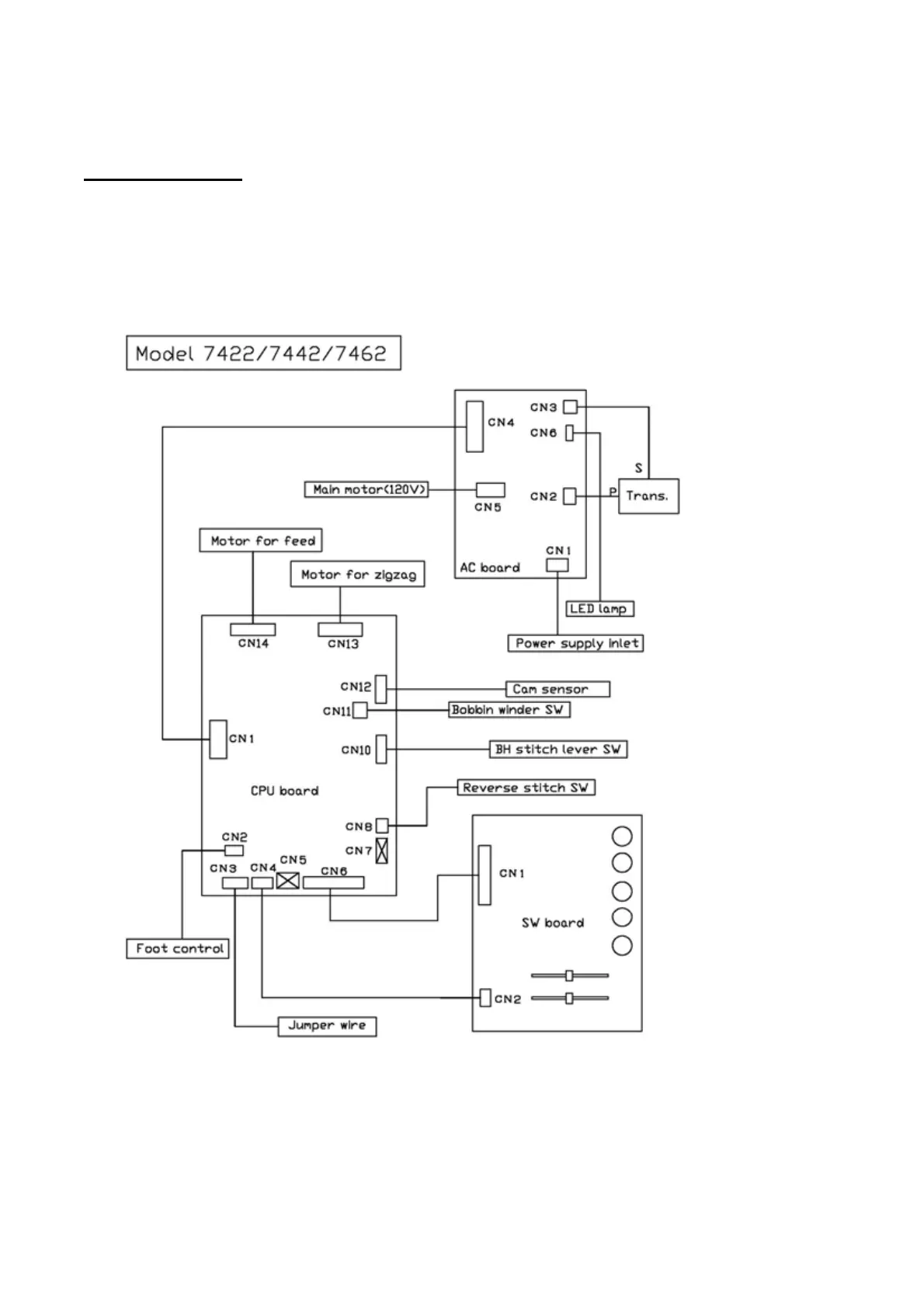
Singer 7422 - Wiring Diagram; Wiring for Models 7422, 7442, 7462

Singer 7422
40 pages
Print Icon
To Next Page IconTo Next Page
To Next Page IconTo Next Page
To Previous Page IconTo Previous Page
To Previous Page IconTo Previous Page
Loading...
- 38 -
Wiring diagram

Related product manuals