EasyManua.ls Logo

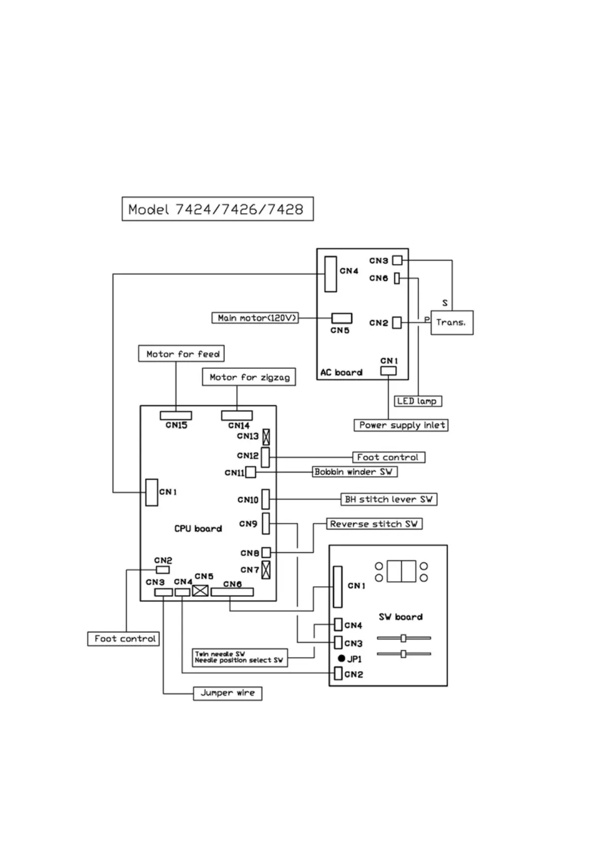
Singer 7422 - Wiring for Models 7424-7428

Singer 7422
40 pages
Print Icon
To Previous Page IconTo Previous Page
To Previous Page IconTo Previous Page
Loading...
- 40 -

Related product manuals