EasyManua.ls Logo

Singer 9860 - Feed Rock Shaft Assembly

Singer 9860
45 pages
Print Icon
To Next Page IconTo Next Page
To Next Page IconTo Next Page
To Previous Page IconTo Previous Page
To Previous Page IconTo Previous Page
Loading...
41
A
B
C
D
E
F
G
H
I
J
K
M
N
L
Service Manual
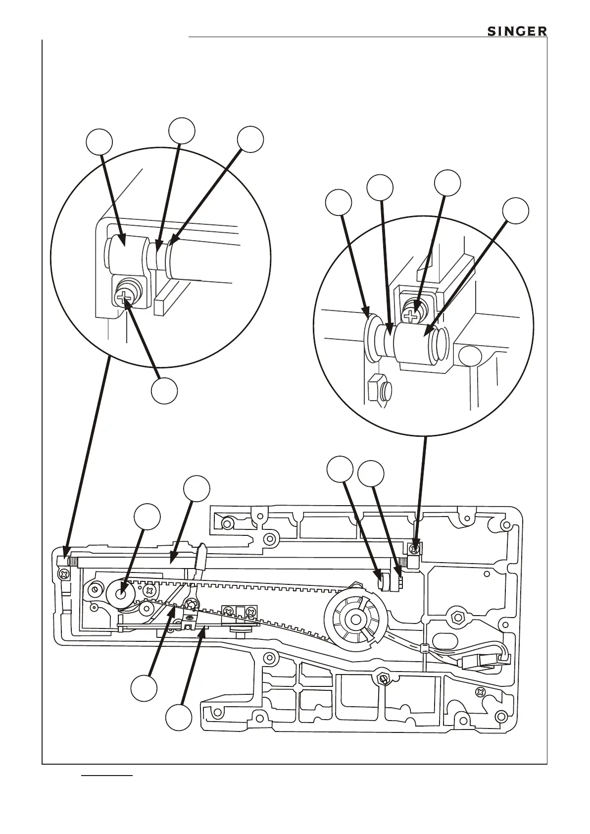
Feed rock shaft assembly
P/N 358426002
MAR/05
Rev. no.

Related product manuals