EasyManua.ls Logo

Sirman TC 22 - Page 11

Sirman TC 22
22 pages
Print Icon
To Next Page IconTo Next Page
To Next Page IconTo Next Page
To Previous Page IconTo Previous Page
To Previous Page IconTo Previous Page
Loading...
12
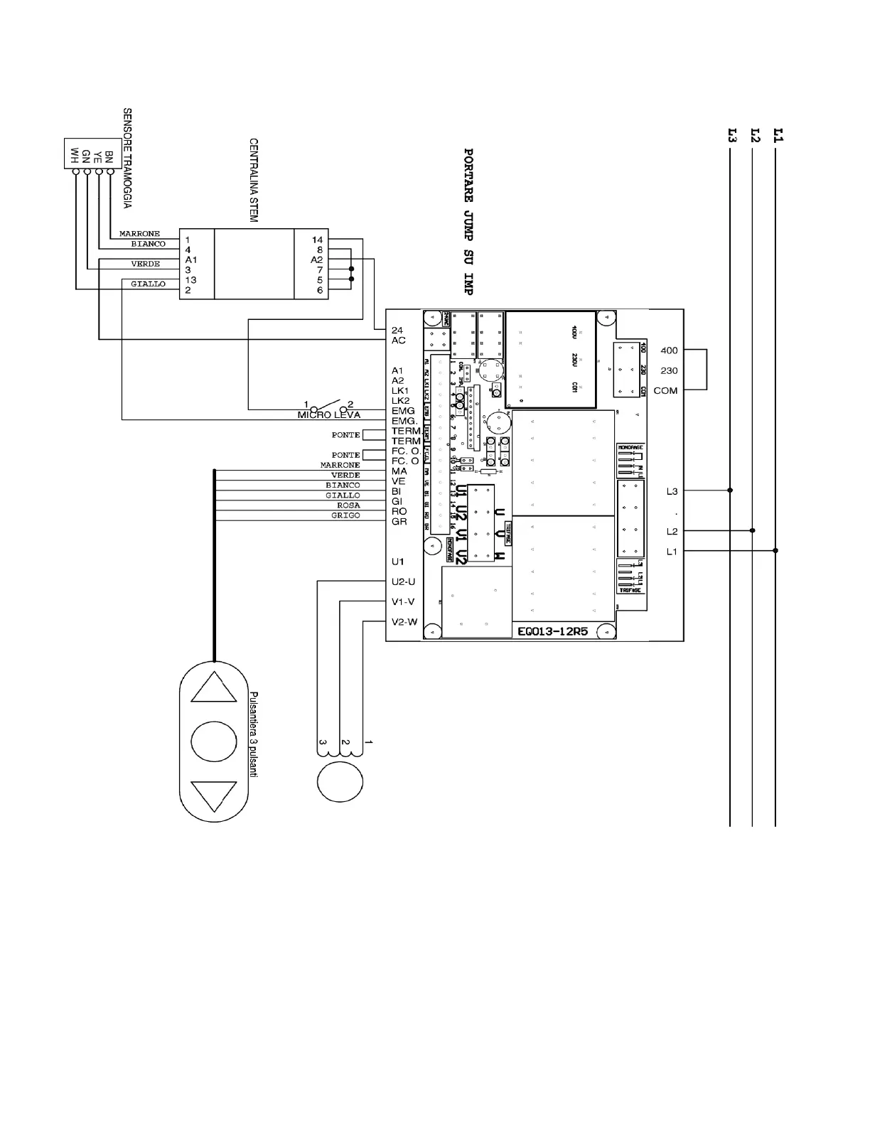
2.4.2 - Three-phase diagrams with electronic switch

Related product manuals