EasyManua.ls Logo

Sirona c8+ turn - Page 22

Sirona c8+ turn
42 pages
Print Icon
To Next Page IconTo Next Page
To Next Page IconTo Next Page
To Previous Page IconTo Previous Page
To Previous Page IconTo Previous Page
Loading...
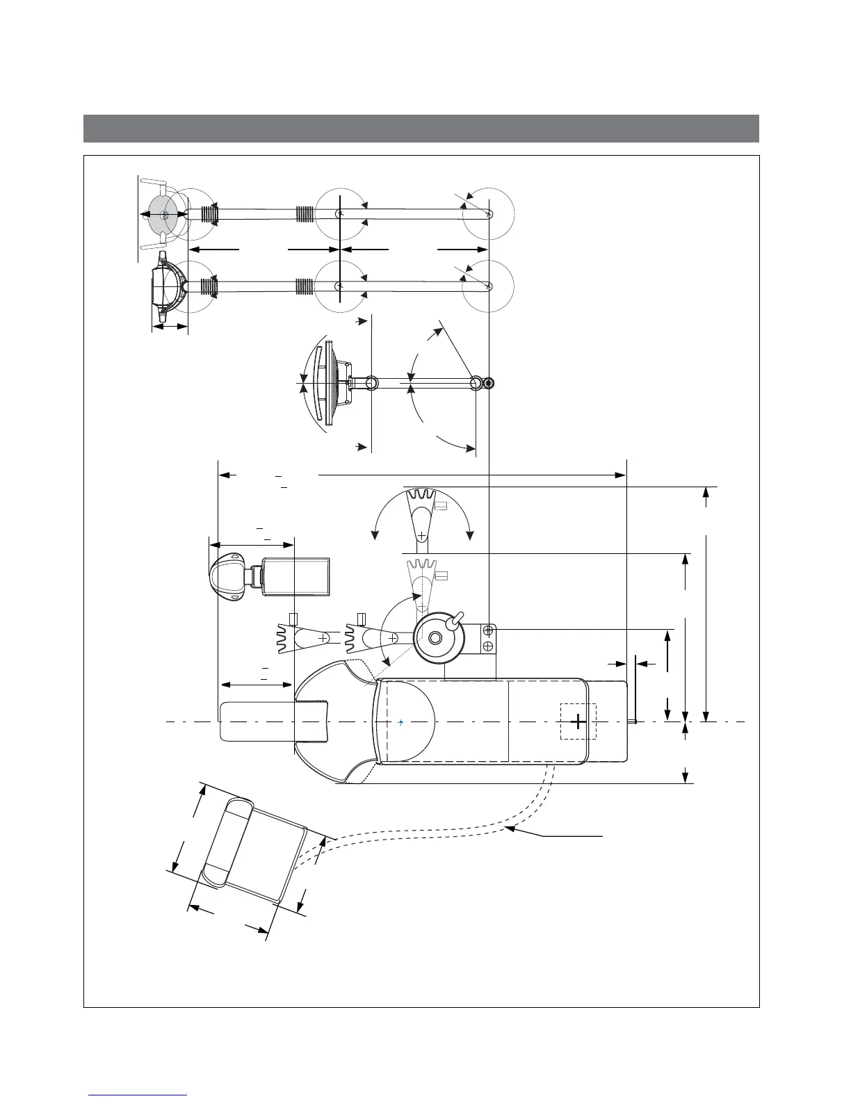
2 Dimensions, technical data Sirona Dental Systems GmbH
2.2 C8
+
Cart 1:20 Installation Requirements C8
+
/C8
+
Tu r n
60 28 000 D3417
22 D3417.021.04.11.02
C8
+
Cart 1:20
*** Depending on the chair height
max. 380 +15
15“ +5/8”
310
12 1/4”
Supply cable
2300
90 1/2”
420
16 1/2”
480
18 7/8”
430
17”
860
33 7/8”
1210
47 1/2”
2070 +50***
81 1/2” +2“ ***
45
1 3/4”
459
18”
430 +15
17“ +5/8”
180
7”
90°
90°
90°
60°
750
29 1/2”
770
30 3/8”
250
9 7/8”

Related product manuals