EasyManua.ls Logo

Siser TS-ONE - Wiring Diagram; Dimensions and Wiring Connections

Siser TS-ONE
Print Icon
To Next Page IconTo Next Page
To Next Page IconTo Next Page
To Previous Page IconTo Previous Page
To Previous Page IconTo Previous Page
Loading...
This manual is the property of SISER S.r.l., any even partial reproduction is forbidden
Mod. PRD 20/3 - Last updating 10/2019
TS-One Manual for use and maintenance
48
TS
ONE
8
EN
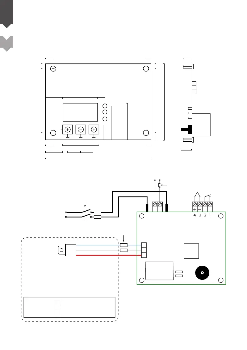
8 WIRING DIAGRAM
Diagram mod. S1.03 TUV
Dimensions and wiring connections
RR
B
N
R
faston
230 v
(gate)
B
N
Rred wire sect. 1 mm (gate)
blue wire sect. 1,6 mm
blue wire sect. 1.6 mm
Triac connection
terminals
Triac 25A
fuses
switching
transformer
100/240v
faston
230 v
probe
J
directly connect the heating elements
on the two terminals RR
main
switch
fuses
3-turn ferrites
1 for each cord
BACK OF BOARD S1.03 TUV
power supply
board
230v
Triac
25A
230v
time
micro
Fasten the triac to a flat metal surface in direct contact
with the cooling part.
Apply a small quantity of white, heat conducting grease
to facilitate cooling of the static relay (max. 40°C).
CAUTION: the lack of adequate cooling can cause the
static relay to break and relevant malfunctioning of the
press.
safety
thermostat
3 display 1/2”
6,5
18
18 38 6,5
14
40
111,5
3 led 5 mm
3,5
3,56,5
3,5
93
6,5
12
66 21
11
39
5
3,56,5
14
10
11,5
trasf. 1

Table of Contents

Related product manuals