EasyManua.ls Logo

Skan ErgoMeter - Aufbauanleitung

Skan ErgoMeter
Print Icon
To Next Page IconTo Next Page
To Next Page IconTo Next Page
To Previous Page IconTo Previous Page
To Previous Page IconTo Previous Page
Loading...
10
Zusammenbau des Ergometers
Aufbauanleitung:
Bevor Sie mit dem Aufbau beginnen, empfehlen wir Ihnen, sich einen Platz mit ausreichend
Freiraum und einer flachen Unterlage für die Montage zu suchen.
Entnehmen Sie alle Teile dem Karton, und breiten Sie diese übersichtlich nebeneinander auf
dem Boden aus. Prüfen Sie anhand der Teileliste, ob alle notwendigen Teile vorhanden sind.
Evtl. sind schon einige Teile vormontiert, um Ihnen den Aufbau zu erleichtern.
Ein Teil der benötigten Schrauben/ Muttern/ U-Scheiben befindet sich an oftmals an den Stellen, an
denen Sie die Teile anbringen müssen. Hier sind also die Schrauben/ Muttern/ U-Scheiben vorher
zu entfernen, um sie dann wieder anzuschrauben. Zu Ihrer Sicherheit wurden teilweise
selbstsichernde Muttern verwendet. Diese lassen sich etwas schwer auf die jeweiligen Schrauben
drehen, lösen sich aber nicht wieder von selbst. Durch mehrfaches Anschrauben verlieren diese
Muttern die selbstsichernde Eigenschaft. In diesem Fall sollten Sie neue selbstsichernde Muttern
verwenden. Wir empfehlen, zum Aufbau des Gerätes das beigefügte Werkzeug zu benutzen.
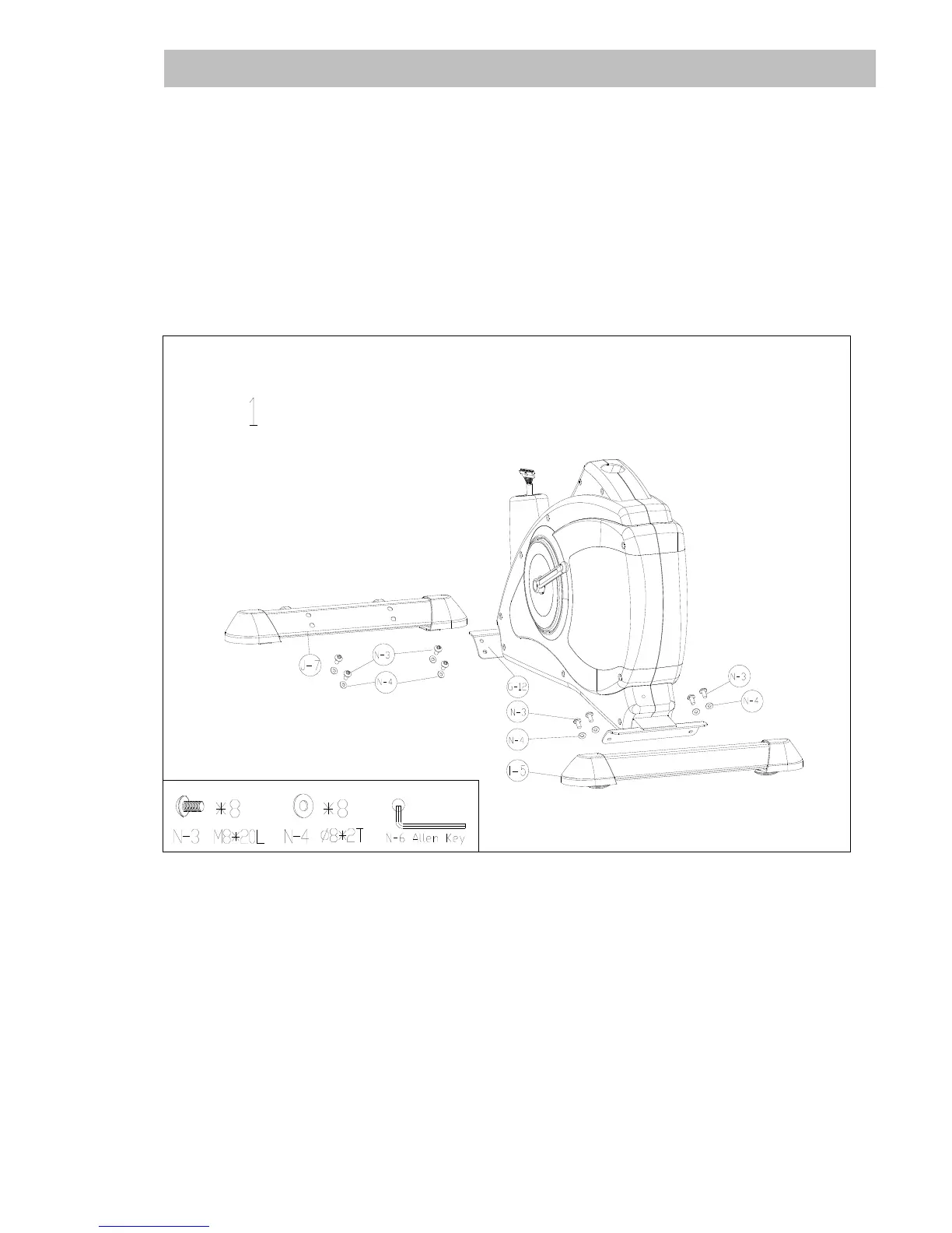
Schritt 1: Anbringen des Standfußes/Basismontage
Zuerst bringen Sie den vorderen und hinteren Standfuß (J-7=vorn und I-5=hinten) am Hauptrahmen
(G-12) an. Hierzu werden je 4 Schrauben M8 x 20mm (N-3) und 4 Unterlegscheiben (N-4) benötigt.
Ziehen Sie die Verbindungen gut fest.
Mit Hilfe der Höheneinsteller (I-3) können und müssen evtl. Bodenunebenheiten ausgeglichen
werden. Sie drehen hierzu so lange an den Einstellern, bis das Gerät fest bzw. wackelfrei auf dem
Boden steht.
Der vordere Standfuß ist mit Transportrollen (J-3) versehen, auf denen Sie das Gerät leicht von Ort
zu Ort bewegen können. (Achtung: Zum Schutz des Bodens evtl. eine Unterlage unterlegen!).