EasyManua.ls Logo

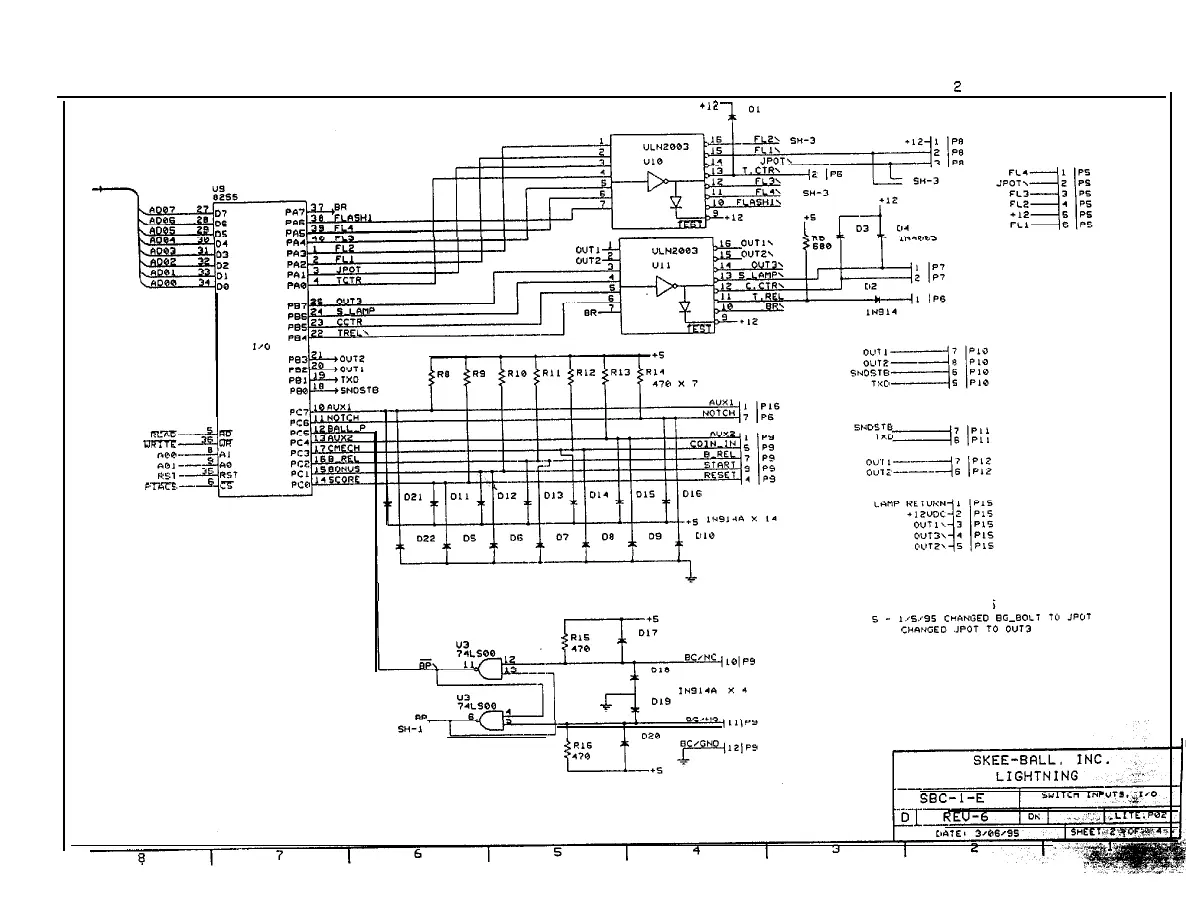
Skee Ball Lightning - Switch Inputs and I;O Schematics

Default Icon
15 pages
Print Icon
To Next Page IconTo Next Page
To Next Page IconTo Next Page
To Previous Page IconTo Previous Page
To Previous Page IconTo Previous Page
Loading...
8
I
7
I
6
I
5
I
4
I
3
I
2
I
1
rie
REUISIONS
TO
ROPE LIGHT
CONTROLLER
0
C
E