EasyManua.ls Logo

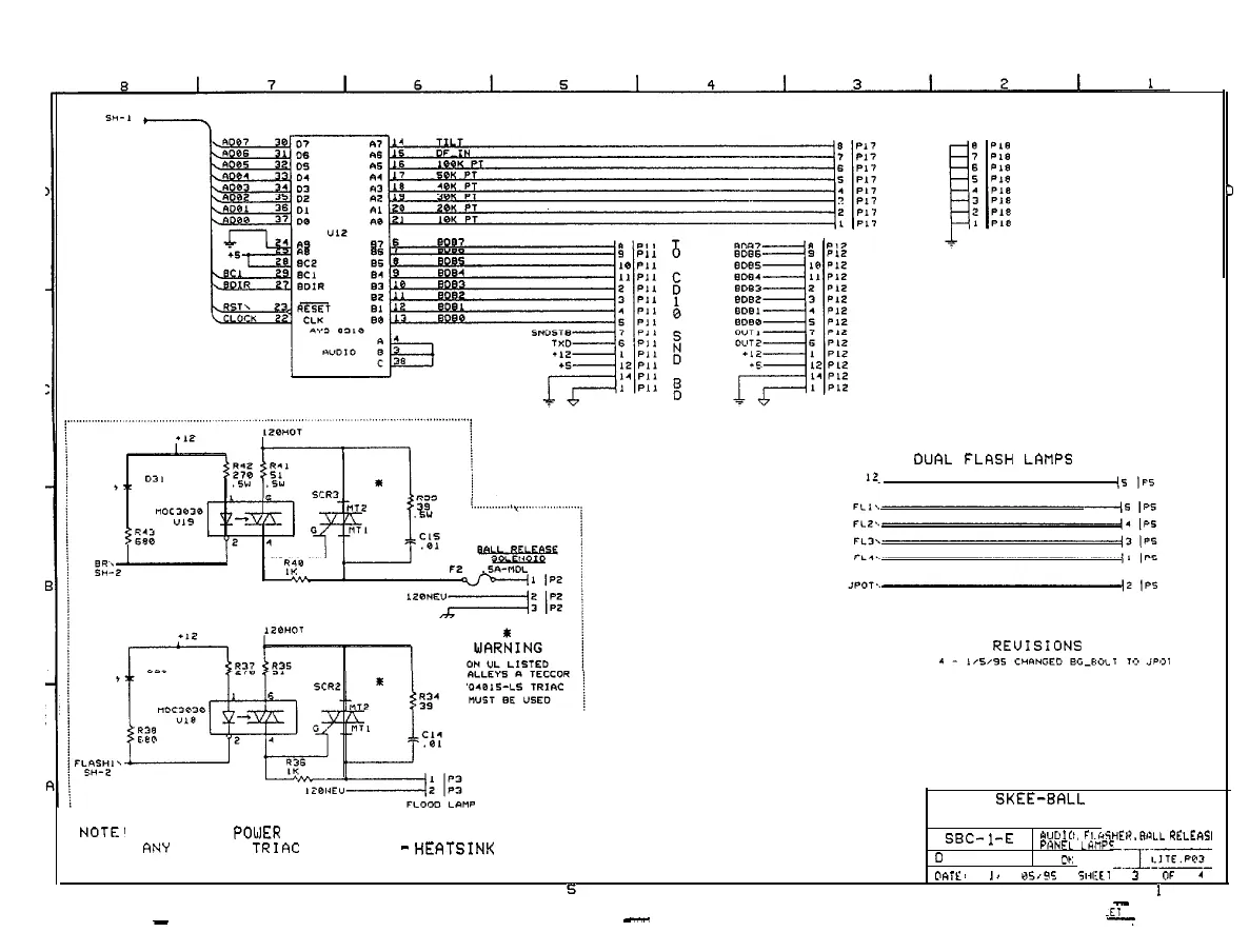
Skee Ball Lightning - Audio, Flasher, Ball Release, and Panel Lamps Schematics

Default Icon
15 pages
Print Icon
To Previous Page IconTo Previous Page
To Previous Page IconTo Previous Page
Loading...
D
NOTE1 TURN OFF POhlER BEFORE SERUICING
FINY
OF THE
TRIAC
CIRCUITS
-
HEFITSINK IS HOT
SKEE-SFILL
. INC.
LIGHTNING
----
SBC-
1
-E
WUIO.
FL”ISHEI?.RllLL
RELEAPI
P,>KL
Lm,ps
0 1 REU-4 /
CI:
1
-T-x=
___ --
ClRiEl
1.
es95
SHIXl
3
OF
4
8
I
7
I
6
I
5
I
4
I
3
I 2 I 1
-
DUfiL FLRSH LtWlPS
.
12.
is
IF5
.ET
-
-
‘----r