EasyManua.ls Logo

Skipper ETNSTCI - Welding Guidance for Combo Tank

Default Icon
14 pages
Print Icon
To Next Page IconTo Next Page
To Next Page IconTo Next Page
To Previous Page IconTo Previous Page
To Previous Page IconTo Previous Page
Loading...
Edition: 2021-01-29
Page 7 of 14
ETNSTCI/ETNSTCILF Installation Manual
7
5
30 cm30 cm
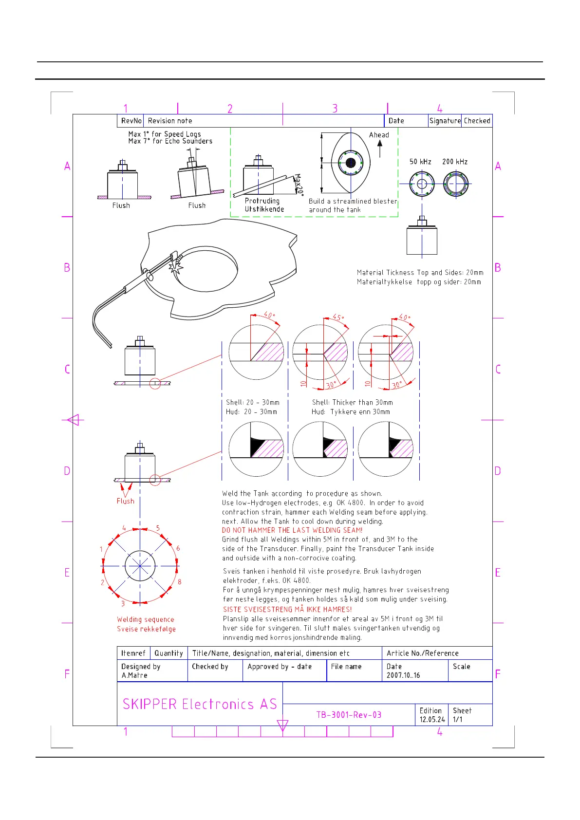
Installation and welding guidance for Tranducer Tank
3. Welding guidance combo tank
SKIPPER Electronics AS