EasyManua.ls Logo

Skyjack 3226 - JIII Eries

Skyjack 3226
274 pages
Print Icon
To Next Page IconTo Next Page
To Next Page IconTo Next Page
To Previous Page IconTo Previous Page
To Previous Page IconTo Previous Page
Loading...
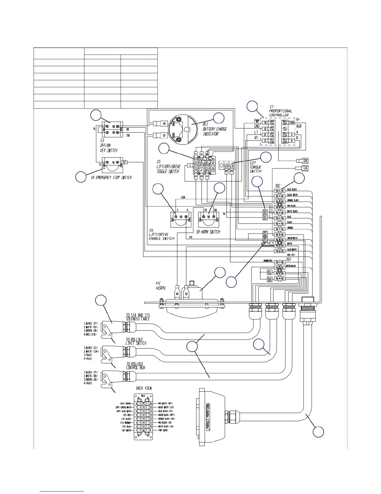
!"#$%&’()’*+,-’DV /$$$’ -01-2’3’ !"#$%&’"&()%&*+,#
-)./0"#12V>4##$%&(0%+#C%D#E)*.0*=#2#F)(!#H++#NR()%&,#G$<L
G5"M"0# %#9"0)*+#I/=>"0#$!*0(#N&# !"#E)*.0*=L
4O
4E
4B
42
4:
44
4T
U
S
Q
O
E
B
2
:
4
-01+:’&@AB-0
70CA #C
5C?-:’&@AB-0
(DDU
RTDU
RV(D
RV(U
RTDT
TVDT
TV(D
T.SUU
TTSTD
VX(D.
VX(.(
XUSRTR
XSSS.
VDTRD
T..DVT
TTTSV
VXSTR
VXSTR
XUT.XR
XSSXV
VDXS(
%%%%% !"#$
!"#$%&’(

Table of Contents

Related product manuals