EasyManua.ls Logo

Skyjack 3226 - JIII Eries

Skyjack 3226
274 pages
Print Icon
To Next Page IconTo Next Page
To Next Page IconTo Next Page
To Previous Page IconTo Previous Page
To Previous Page IconTo Previous Page
Loading...
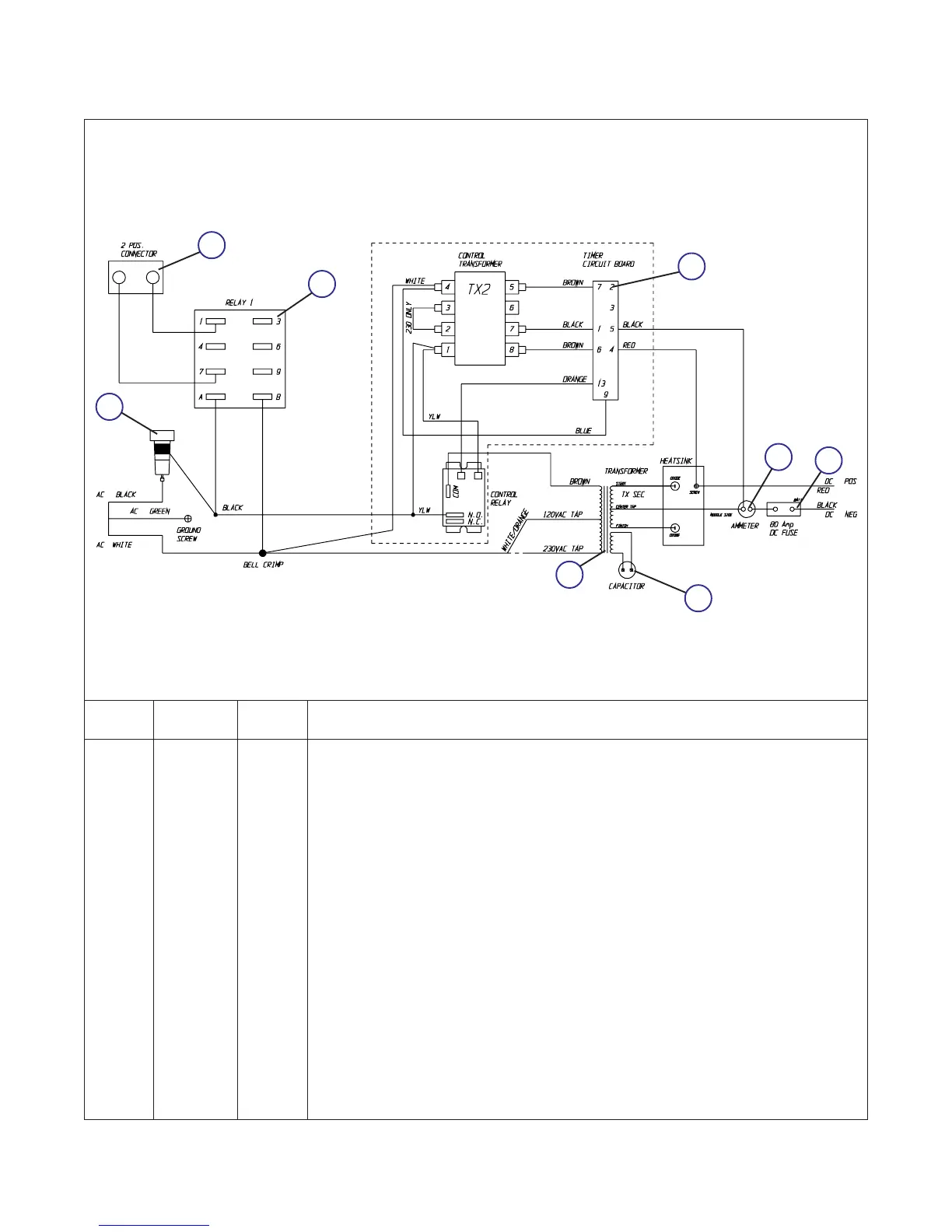
!"#$%&’()’*+,-’./
0$$$’ -12-3’4’ !"#$%&’"&()%&*+,
$56-7
&89
:;<+=:
*+1>’&89
?-3=12@>285A>;9
$!-.,/0
1).2-"#03456##7*(("-8#$!*-."-#9:!";*():#3#<%(%-#=>>+)*&:"#?7*@A5
!"#$% & ’())*+,-./(+0*+-(11*2’3,4-%565!(4- %!6(.4-7!/8
!$ !% 9---.(:(.;)<+
% !$ !" 9---)+(=1><+2*+
? #? # 9---+*3(,4-.@ABCDB-EFGHFG- %!-6(.
5 #?$ 9---:3I04-.@ABCDB-EFGHFG
# J JJ 9--->I1*4-"!(KL-ME
7 !"#7# 9---.;+.I;)-’<(+M4-)NKDB
!"#75 9---9--)+(=1><+2*+4-)NKDB-ENBEFNG
9---+*3(,4-)NKDB-ENBEFNG
J !$ !! 9---(22*)*+4-!&J#
" J JJ 9--->I1*4-"!-(KL
J J" 9---9-->I1*-/<3M*+4-M.
%
?
5
#
7
J
"
!"#$
!"#$%&’(

Table of Contents

Related product manuals