EasyManua.ls Logo

Smith 8 series - Water and Steam Replacement Parts

Default Icon
28 pages
Print Icon
To Next Page IconTo Next Page
To Next Page IconTo Next Page
To Previous Page IconTo Previous Page
To Previous Page IconTo Previous Page
Loading...
8 SERIES BOILER INSTALLATION AND OPERATING INSTRUCTIONS
Page 19
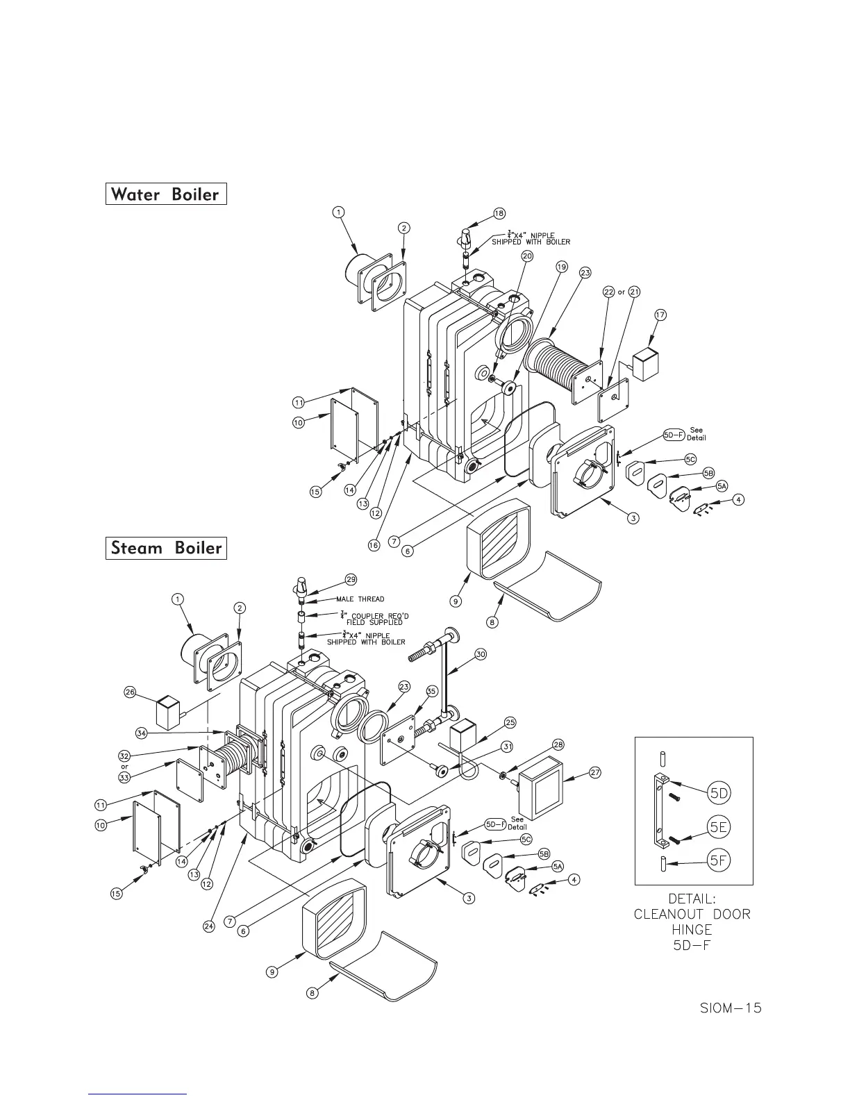
Figure No. 18
WATER AND STEAM REPLACEMENT PARTS

Other manuals for Smith 8 series

Related product manuals