EasyManua.ls Logo

Snapper 300T - Chain Case

Snapper 300T
20 pages
Print Icon
To Next Page IconTo Next Page
To Next Page IconTo Next Page
To Previous Page IconTo Previous Page
To Previous Page IconTo Previous Page
Loading...
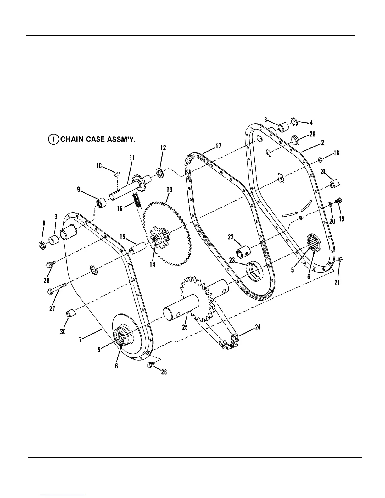
Chain Case
TP 400-5174-6-RT-N
Manual No. 7006003 FRONT TINE TILLERS
SERIES 0 & 1
10

Related product manuals