EasyManua.ls Logo

Snapper 6016RT - Hood, Drag Stake & Tine Group - 7 HP

Snapper 6016RT
28 pages
Print Icon
To Next Page IconTo Next Page
To Next Page IconTo Next Page
To Previous Page IconTo Previous Page
To Previous Page IconTo Previous Page
Loading...
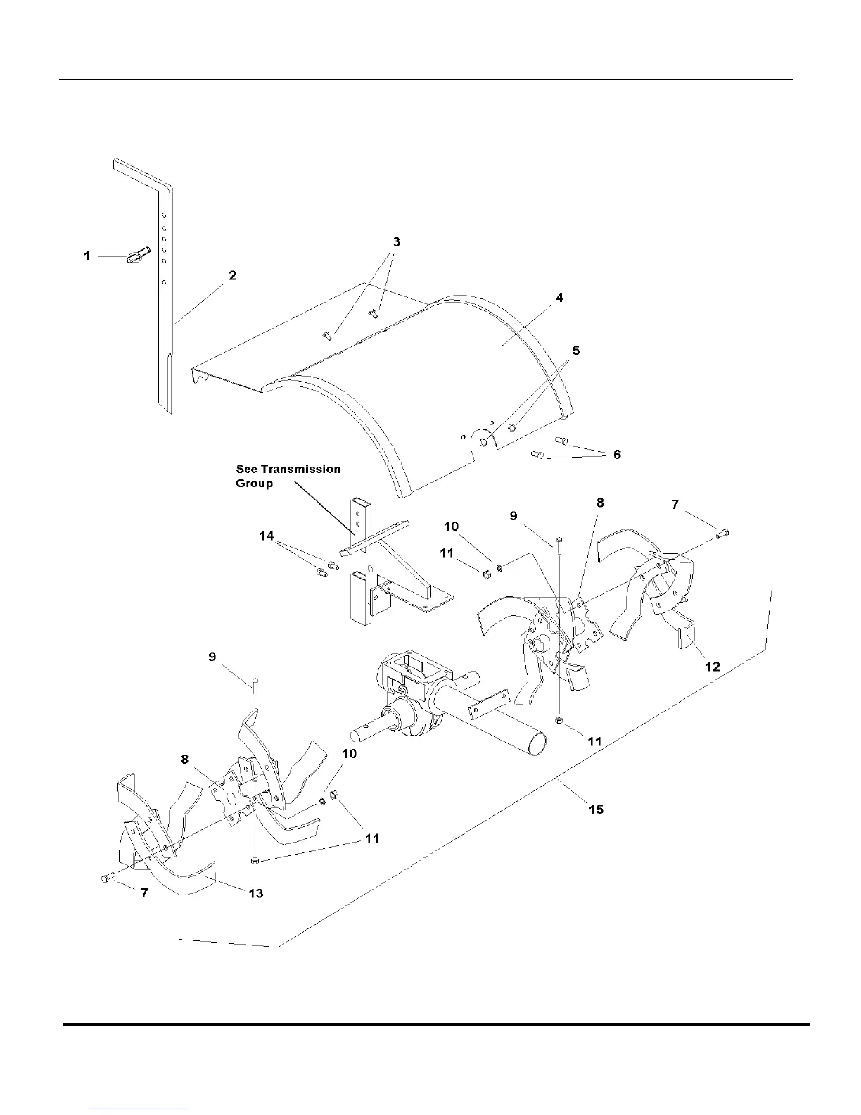
Hood, Drag Stake & Tine Group - 7 HP
TP 400-5131-2-RT-N
Manual No. 7006257 INTERMEDIATE REAR TINE TILLER
20

Related product manuals